EasyManua.ls Logo

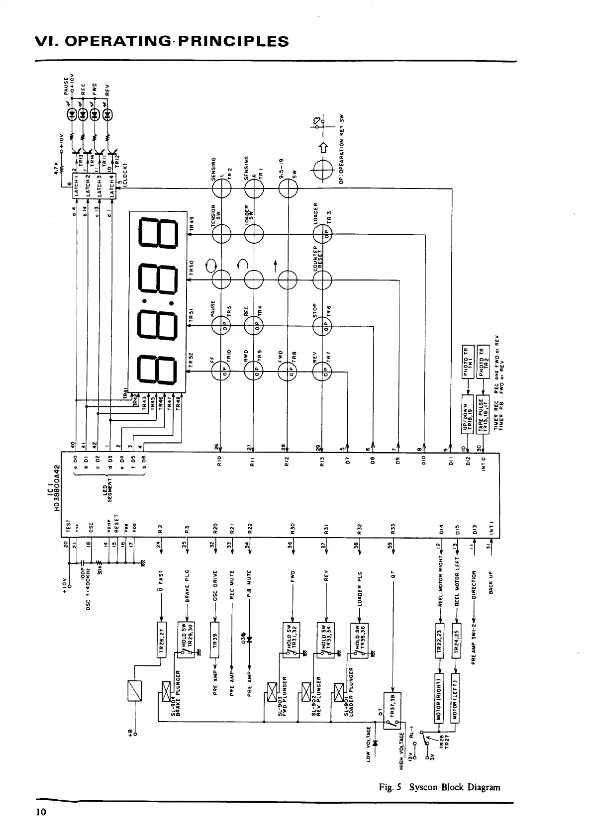
Akai GX-77 - Operating Principles Explained

Akai GX-77
66 pages
Print Icon
To Next Page IconTo Next Page
To Next Page IconTo Next Page
To Previous Page IconTo Previous Page
To Previous Page IconTo Previous Page
Loading...

Other manuals for Akai GX-77

Related product manuals