EasyManua.ls Logo

Akai MPC3000 - Page 35

Akai MPC3000
58 pages
Print Icon
To Next Page IconTo Next Page
To Next Page IconTo Next Page
To Previous Page IconTo Previous Page
To Previous Page IconTo Previous Page
Loading...
1
12801
А
A
513052У
2
се
1
m
свог
C807
:
1200010
100/50
‘10/16
Та
а
5
u
wso4
|
.
|
ys
[^
Es
s
ND
о
>
5
а
|]
ays]
5
m
D804
c811
|
«su
__[6]
о
HZS5C2
10/25
Е
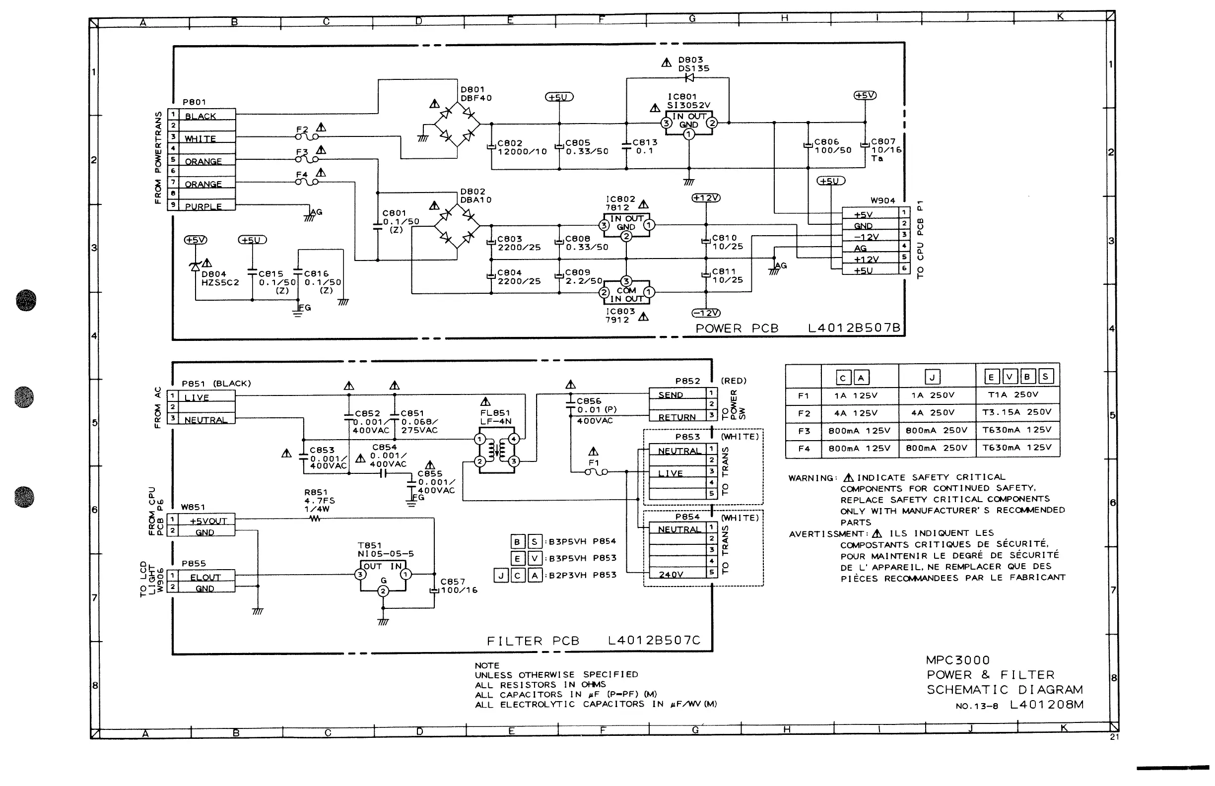
POWER
РСВ
14012В507В
|
о
|
P851
(BLACK)
A
A
A
Р852
|
(RED)
ЕЕ
|
<
5
u.
|
WARNING:
Á
INDICATE
SAFETY
CRITICAL
2
|
COMPONENTS
FOR
CONTINUED
SAFETY,
Ош
1
REPLACE
SAFETY
CRITICAL
COMPONENTS
Bll
ay
|
mee
sa
nemen
1
ONLY
WITH
MANUFACTURER’
5
RECOMMENDED
(WH
Н
гал
А
i
PARTS
2
I
AVERTISSMENT:
Д
ILS
INDIQUENT
LES
;
4
'
H
г
ВЗРБУН
P85
5
і
COMPOSTANTS
CRITIQUES
DE
SECURITE,
aL
ГЕ
}[у]:взР5ун
Р853
Д
!
POUR
MAINTENIR
LE
DEGRÉ
DE
SECURITE
ото
H
,
т
I
DE
L'
APPAREIL,
NE
REMPLACER
QUE
DES
150
Е
|
,
288
|
C857
B2P3VH
P853
i
PIECES
RECOMMANDEES
PAR
LE
FABRICANT
35
TIL
EN
ои
?
7
-
7
FILTER
PCB
(4012В507С
МОТЕ
MPC3000
UNLESS
OTHERWISE
SPECIFIED
ALL
RESISTORS
IN
OHMS
POWER
&
FILTER
ALL
CAPACITORS
IN
дЕ
(Р=РЕ)
(M)
SCHEMATIC
DIAGRAM
ALL
ELECTROLYTIC
CAPACITORS
IN
«FAW
(M)
мо.1з-в
L401208M
л
ім
р
бі
—E
РЕ
|
с
тн
eS

Related product manuals