EasyManua.ls Logo

Akai MPC3000 - Page 36

Akai MPC3000
58 pages
Print Icon
To Next Page IconTo Next Page
To Next Page IconTo Next Page
To Previous Page IconTo Previous Page
To Previous Page IconTo Previous Page
Loading...
c516
0.047
2508
C504
0.0022716
R513
R520
R521
390K
TO
CPU
PCB
P9
[p
К
іш
|
9
|
||
220
0.047
[—(s)--
(4)
———
C1
2V)
SYNC
ІМ
R524
с510
оо
ул
3
m
оо
л
~
=
Ф
жә
«шә
МОТЕ
UNLESS
OTHERWISE
SPECIFIED
ALL
RESISTORS
IN
OHMS
1/6W
(J)
ALL
CAPACITORS
ІМ
ДЕ
(P=PF)
SOW
(Z)
ALL
ELECTROLYTIC
CAPACITORS
IN
a4F/WV
ALL
INDUCTORS
IN
АН
(К)
ALL
DIODES
ARE
ОМА-01-4-ВТ
|
7
0.
©
(5,
О
LEVEL
C509
AG
|
M5238
ок
1/50
O
|
да
С506
0:022
ba
FL505
О
а
=
0
O
.
О
.
.
О
"
Ч
О
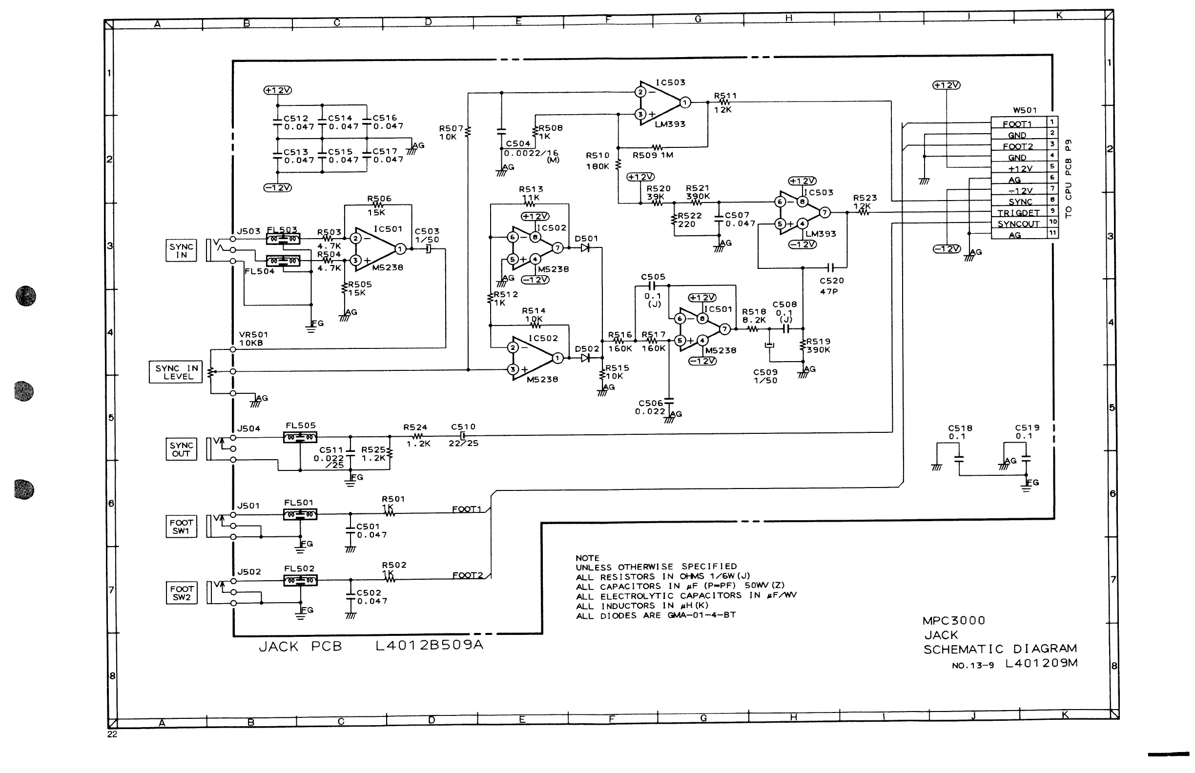
МРСЗ000
учи
ЧАСК
1
ОЗА
ЈАСК
РСВ
40128509
SCHEMATIC
DIAGRAM
No.13-9
L401209M
А-а-а
ста
|
но
L
J
L
Б

Related product manuals