EasyManua.ls Logo

Akai MPC3000 - Page 54

Akai MPC3000
58 pages
Print Icon
To Next Page IconTo Next Page
To Next Page IconTo Next Page
To Previous Page IconTo Previous Page
To Previous Page IconTo Previous Page
Loading...
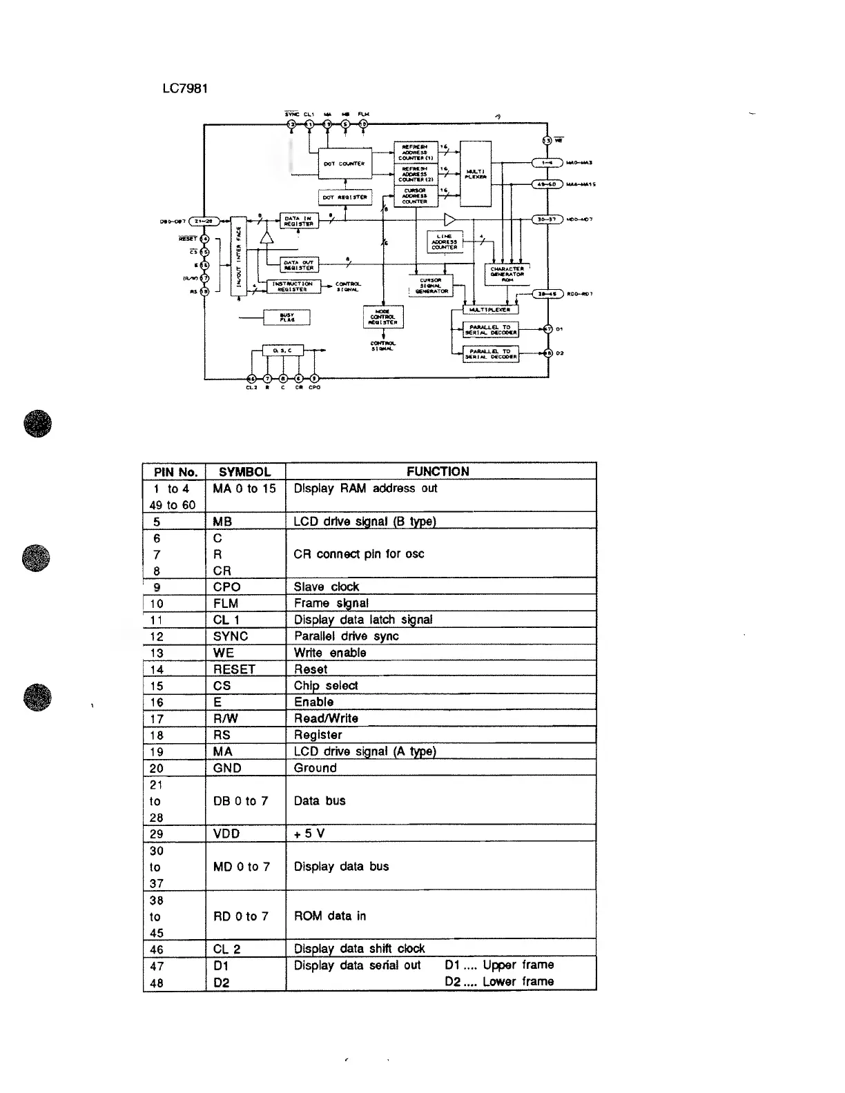
LC7981
IN/OUT
INTER
FACE
|
РІМ Мо,
|
SYMBOL
FUNCTION
MA
0
to
15
|
Display
RAM
address
out
49
to
60
6
С
7
R
8
CR
1
9
ROM
data
іп
Display
data
shift
clock
Display
data
serial
out
|
01...
Upper
frame
D2....
Lower
frame

Related product manuals