EasyManua.ls Logo

Albrecht AE6490 - Page 4

Albrecht AE6490
12 pages
Print Icon
To Next Page IconTo Next Page
To Next Page IconTo Next Page
To Previous Page IconTo Previous Page
To Previous Page IconTo Previous Page
Loading...
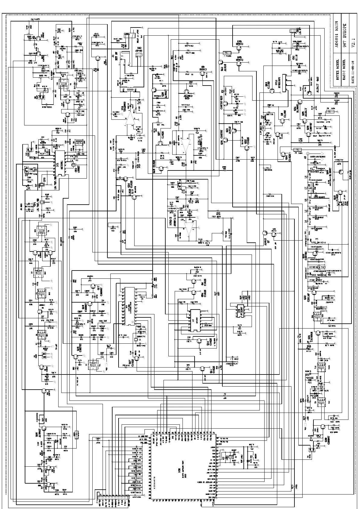
ae6891ma.sch-1 - Wed May 18 15:15:16 2011

Related product manuals