EasyManua.ls Logo

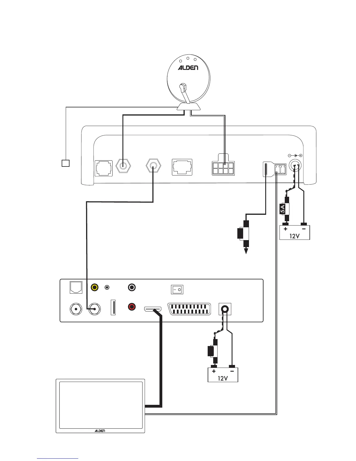
ALDEN S.S.C. HD A module - General Wiring Diagram

ALDEN S.S.C. HD A module
12 pages
Print Icon
To Next Page IconTo Next Page
To Next Page IconTo Next Page
To Previous Page IconTo Previous Page
To Previous Page IconTo Previous Page
Loading...
S.S.C. HD A Module - Installation and user’s guide - 030718 - 4
USB
DATA
OUT TO
DEMO
LNB IN
14/18V 300mA
RC
10 - 15VDC
TV OUT
CONTACT
MOTOR SKEW
General wiring diagram
Coax cable
Coax cable
+ after ignition
(1,5A. min.)
3A
Motor cable
* With Green Coloured End
Connect to a Dual
tuner satellite re-
ceiver’s 2nd LNB In.
OR to a 2nd satel-
lite/Vast receiver.
Coax Cable N°2 * Unmarked
L
TV
INOUT
VIDEO
HDMI
IR
ON OFF
USB
S/PDIF
R
AUDIO
DC12V/5A
HDMI cable
Power supply for
compatible TV
3A