EasyManua.ls Logo

Alesis MULTIMIX 8 USB FX - Block Diagram; Channel Signal Flow; Stereo Aux Return and Output Routing

Alesis MULTIMIX 8 USB FX
7 pages
Print Icon
To Previous Page IconTo Previous Page
To Previous Page IconTo Previous Page
Loading...
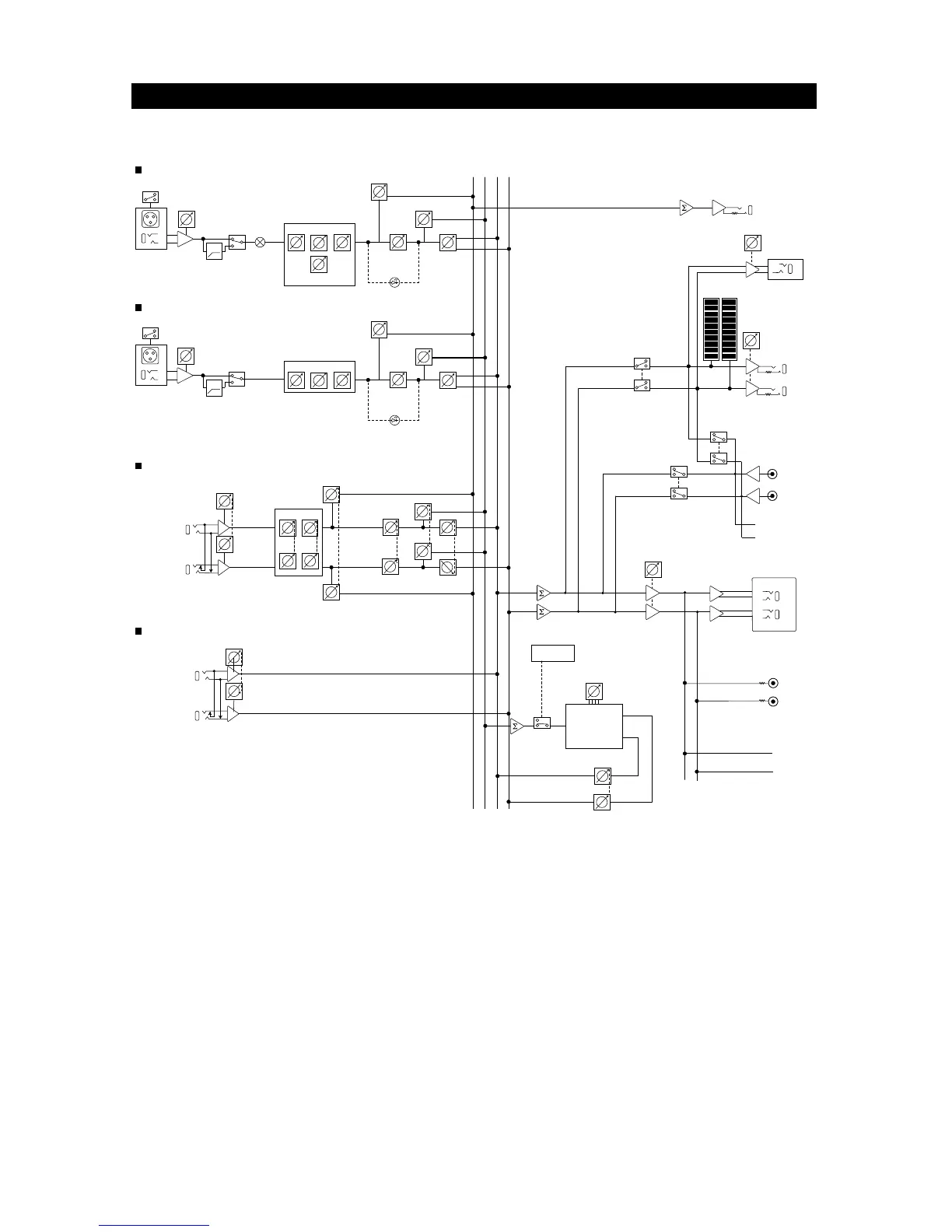
BLOCK DIAGRAM
INT EFX
AUX
LEFT
RIGHT
L/MONO
R
STEREO AUX RETURN
RIGHT LEFT
2-TRK to
MIX
PHONES LEVEL
MONITOR LEVEL
MAIN (L/R) LEVEL
AUX SEND
INTERNAL
EFFECTS
PROCESSOR
(From PicoVerb)
ENCODER
Footswitch
LEFT
MAIN LEFT BUS
MAIN RIGHT BUS
RIGHT
L
R
PHONES
MONITOR OUT
MAIN OUT
BALANCED
L
2-TRK IN
R
L
2-TRK OUT
-10dBV
R
L
USB OUT
(To Computer)
R
LR
FX LEVEL
2-TRK to
MONITOR
MIX TO MONITOR
USB IN
(From Computer)
L
R
TRIM
L/MONO
R
INT EFX
AUX
BALANCE
STEREO LINE CHANNELS 5-8
LOW HIGH
LEVEL
LOW HIGH
PAN
CLIP
CHANNELS 3-4
MID
AUX
INT EFX
PHANTOM POWER
TRIM
HPF
75 Hz
1/4" input on CHANNEL 3 is switchable between LINE/GUITAR input.
1/4" input on CHANNEL 4 is LINE only.
LEVEL
PHANTOM POWER
TRIM
INSERT
LOW HIGH
PAN
CLIP
CHANNELS 1-2
MID
Variable FREQ
AUX
LEVEL
HPF
75 Hz
INT EFX

Other manuals for Alesis MULTIMIX 8 USB FX

Related product manuals