EasyManua.ls Logo

Allen-Bradley 1756-IF8I - Page 85

Allen-Bradley 1756-IF8I
226 pages
Print Icon
To Next Page IconTo Next Page
To Next Page IconTo Next Page
To Previous Page IconTo Previous Page
To Previous Page IconTo Previous Page
Loading...
Rockwell Automation Publication 1756-UM540E-EN-P - December 2017 85
Temperature-sensing Analog Modules Chapter 4
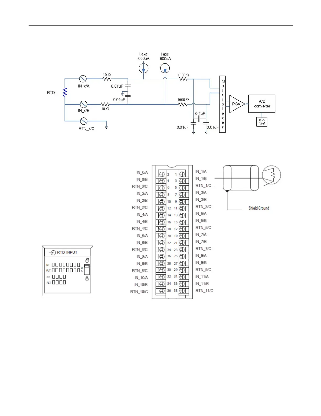
Figure 21 - 1756-IR12 Module Field-side Circuit with RTD Input
Figure 22 - 1756-IR12 Module Wiring Diagram - 3-wire RTD Input
IMPORTANT: Remember the following:
If separate power sources are used, do not exceed the
specific isolation voltage as listed in the
specifications.
For 2-wire resistor applications including calibration,
make sure IN_x/B and RTN_x/C are shorted
together.

Table of Contents

Related product manuals