EasyManua.ls Logo

Allied 295 - Main Frame Assembly and Parts List

Default Icon
36 pages
Print Icon
To Next Page IconTo Next Page
To Next Page IconTo Next Page
To Previous Page IconTo Previous Page
To Previous Page IconTo Previous Page
Loading...
26
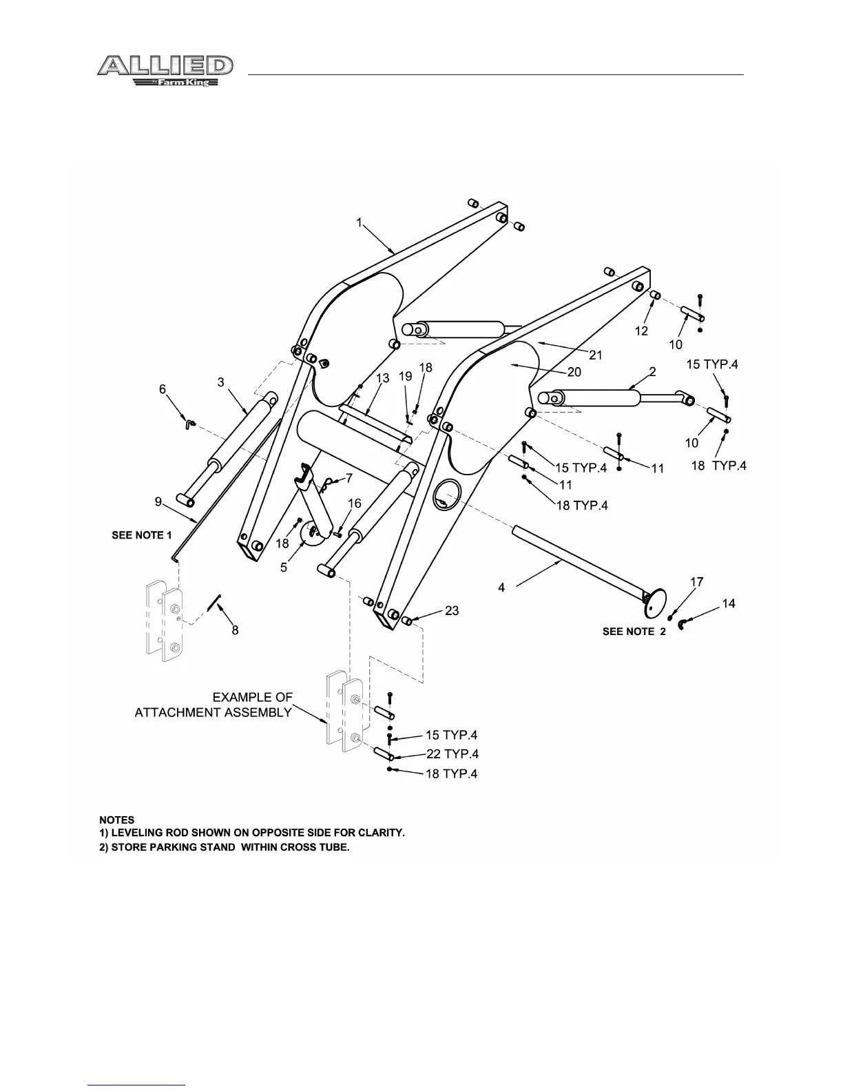
Parts - 295 Loader
Main Frame Assembly

Related product manuals