EasyManua.ls Logo

Allied A80US2VX - Page 37

Default Icon
48 pages
Print Icon
To Next Page IconTo Next Page
To Next Page IconTo Next Page
To Previous Page IconTo Previous Page
To Previous Page IconTo Previous Page
Loading...
508033-02 Issue 2135 Page 37 of 48
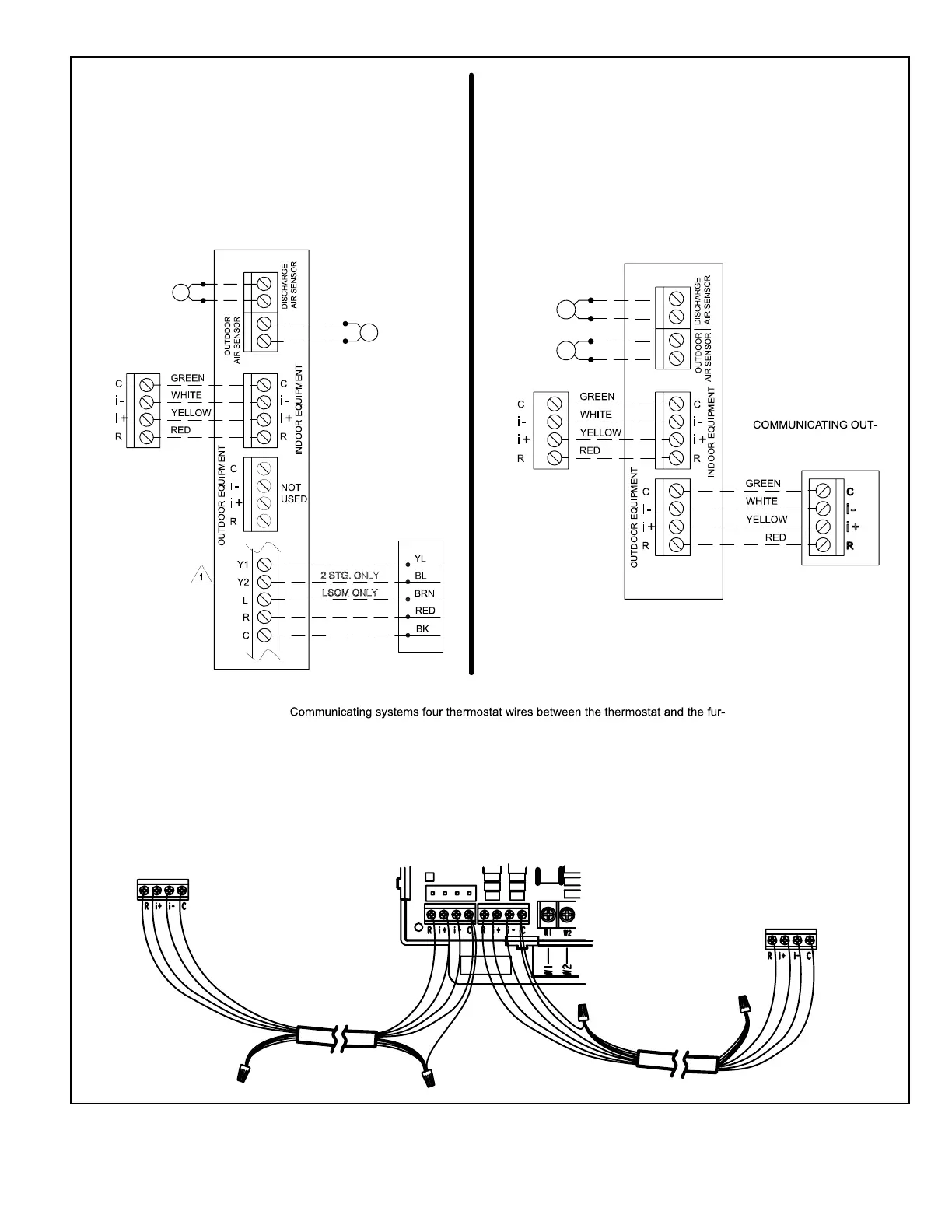
Communicating Enabled Furnace and Non-
Communicating Outdoor Unit
COMMUNICATING
THERMOSTAT
NON-COMMUNICATING
OUTDOOR AIR
CONDITIONING UNIT -
1 OR 2 STAGE
OPTIONAL
OUTDOOR
AIR SENSOR
OPTIONAL
DISCHARGE
AIR SENSOR
Communicating Enabled Furnace and
Communicating Enabled Outdoor Unit
DOOR AIR CONDITIONING
OR HEAT PUMP UNIT
OPTIONAL
OUTDOOR
AIR SENSOR
OPTIONAL
DISCHARGE
AIR SENSOR
CLIP ON-BOARD LINK
W915 (Y1 TO Y2) FOR
TWO-STAGE OPERATION
Communicating Integrated Control
Communicating Thermostat
Outdoor Unit
nace/air handler control and four wires between the outdoor unit and the furnace/air
handler control. When a thermostat cable with more than four wires is used, the extra
wires must be properly connected to avoid electrical noise. The wires must not be left
disconnected.
Use wire nuts to bundle the four unused wires at each end of the cable. A single wire
should then be connected to the indoor unit end of the wire bundle and attached to the
“C” terminals as shown below.
COMMUNICATING
THERMOSTAT
COMMUNICATING FURNACE
COMMUNICATING FURNACE
Figure 23.

Related product manuals