EasyManua.ls Logo

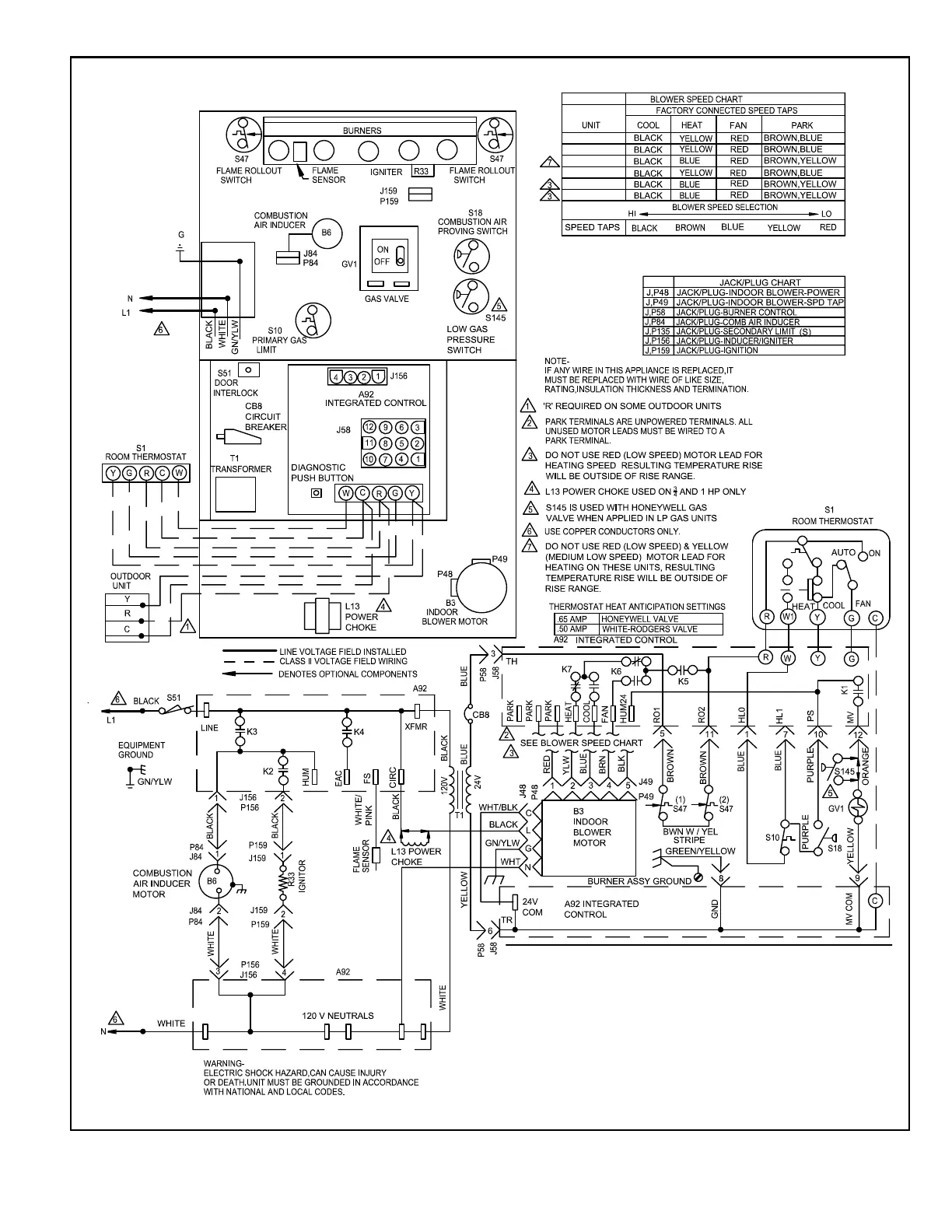
Allied A96UH1E - Wiring Diagrams; Figure 66. Typical Field Wiring Diagram; Figure 67. Typical Wiring Diagram

Allied A96UH1E
57 pages
Print Icon
To Next Page IconTo Next Page
To Next Page IconTo Next Page
To Previous Page IconTo Previous Page
To Previous Page IconTo Previous Page
Loading...
508297-01 Page 43 of 57Issue 2219
030*B08
045*B12
070*B12
090*C16
110*C20
135*D20
Figure 67. Typical Wiring Diagram

Related product manuals