EasyManua.ls Logo

Allison MD 3060 - Code 64 XX - Retarder Modulation Request Device Fault

Allison MD 3060
396 pages
Print Icon
To Next Page IconTo Next Page
To Next Page IconTo Next Page
To Previous Page IconTo Previous Page
To Previous Page IconTo Previous Page
Loading...
Copyright © 1998 General Motors Corp. 6111
WTEC II ELECTRONIC CONTROLS TROUBLESHOOTING MANUAL
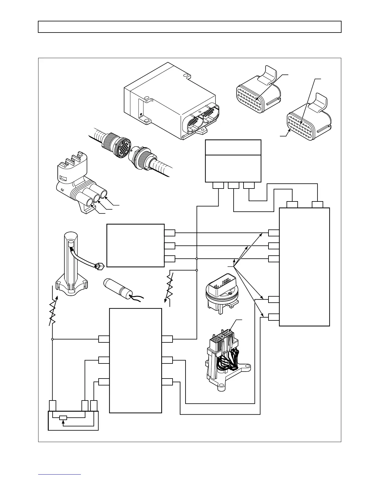
Figure 6–38. Code 64 Schematic Drawing (Units Produced Prior To 9/94)
(ANALOG
GROUND)
ECU
B
A
G 2
A 6
B 31
C
B 22
B 1
A 24
B 30 A 33
TO RETARDER
CONTROL DEVICES
RTDR MODULATION
REQUEST
RESISTANCE
MODULE
ACB
135 A GREEN
135 B GREEN
135 B GREEN
156 BLUE
124 RED
164 YELLOW
133 WHITE
B 3
SUMP
TEMP
SENSOR
TPS
165 BLUE
G 3
G 2
B 3
RED
BLACK
G 3
106 WHITE
SUMP TEMP SENSOR
AND OIL LEVEL
SENSOR GROUND
OIL LEVEL POWER
OIL LEVEL SIGNAL
TRANSMISSION
TPS LO
THROTTLE SIGNAL
TPS HI
RTDR
MOD.
SIGNAL
RTDR
MOD.
HI
RETARDER
TEMP
SENSOR
135 C
A
B
A
B
C
G 2
ECU
V01596
B 22
B
(BLACK)
A
(BLACK/WHITE)
A 24
B 1
SEE NOTE
NOTE: These wires may pass through a bulkhead connector.
RED
BLACK
BLUE
AB
WHITE
D
CODE 64 XX — RETARDER MODULATION REQUEST DEVICE FAULT

Table of Contents

Related product manuals