EasyManua.ls Logo

Allison MD 3060 - Neutral Indicator for PTO and PTO Enable

Allison MD 3060
396 pages
Print Icon
To Previous Page IconTo Previous Page
To Previous Page IconTo Previous Page
Loading...
WTEC II ELECTRONIC CONTROLS TROUBLESHOOTING MANUAL
P–40 Copyright © 1998 General Motors Corp.
APPENDIX P — INPUT/OUTPUT FUNCTIONS
WARNING!
These schematics show the intended use of the specified controls features which
have been validated in the configuration shown. Any miswiring or use of these
features which differs from that shown could result in damage to equipment or
property, personal injury, or loss of life. ALLISON TRANSMISSION IS NOT
LIABLE FOR THE CONSEQUENCES ASSOCIATED WITH MISWIRING
OR UNINTENDED USE OF THESE FEATURES.
NEUTRAL INDICATOR FOR PTO AND PTO ENABLE
USES: Provides for fast idle operation in neutral, “pack-on-the-fly”, and PTO engagement with overspeed
protection.
VARIABLES TO SPECIFY: Max engine rpm for PTO engagement, max engine rpm for PTO operation, max
output rpm for PTO engagement, max output rpm for PTO operation.
VOCATIONS: Refuse packer, recycling truck.
SYSTEM OPERATION:
Operator selects NEUTRAL to enable fast idle.
Transmission shifts to neutral if throttle and output speed are low.
When DRIVE is re-selected, fast idle is interrupted and transmission shifts to drive if engine speed drops below
900 rpm within approximately two seconds.
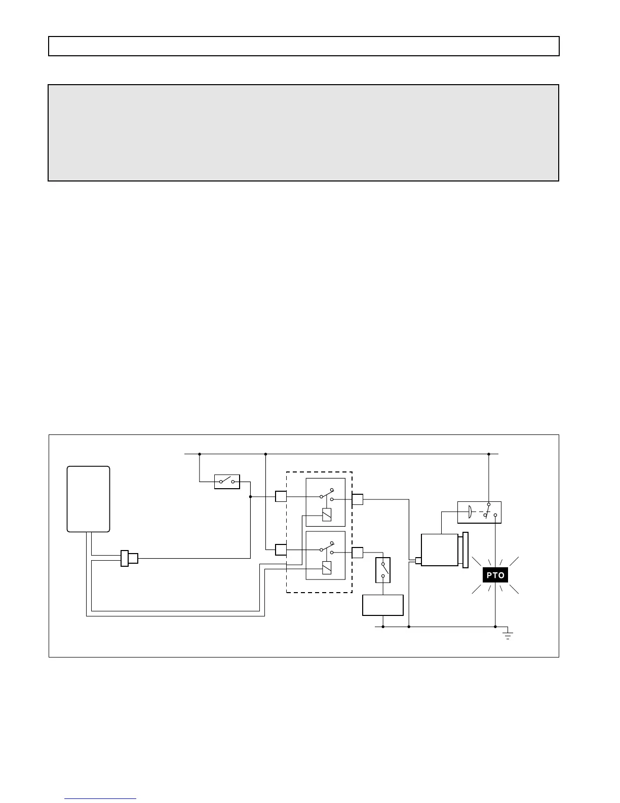
Figure P–38. Neutral Indicator for PTO and PTO Enable
V05042
WIRE 118
PTO ENABLE INPUT
WIRE 112 PTO ENABLE OUTPUT
WIRE 114 NEUTRAL INDICATOR FOR PTO
PTO DASH
SWITCH
Relays shown
de-energized
SWITCHED
POWER
A2
NC
COM
112
114
VIM
NO
NC
COM
NO
A3
F2
F3
FAST IDLE
SOLENOID
DASH
LIGHT
PTO
PRESSURE
SWITCH
PTO
FAST IDLE
CONTROL
VIW
CONNECTOR
ECU
2
WARNING!
These schematics show the intended use of the specified controls features which
have been validated in the configuration shown. Any miswiring or use of these
features which differs from that shown could cause unscheduled operation of the
PTO or other unpredictable operation resulting in damage to equipment or
property, personal injury, or loss of life. ALLISON TRANSMISSION IS NOT
LIABLE FOR THE CONSEQUENCES ASSOCIATED WITH MISWIRING
OR UNINTENDED USE OF THESE FEATURES.

Table of Contents

Related product manuals