EasyManua.ls Logo

Allison MD 3560 - Page 371

Allison MD 3560
396 pages
Print Icon
To Next Page IconTo Next Page
To Next Page IconTo Next Page
To Previous Page IconTo Previous Page
To Previous Page IconTo Previous Page
Loading...
Copyright © 1998 General Motors Corp. P–15
WTEC II ELECTRONIC CONTROLS TROUBLESHOOTING MANUAL
APPENDIX P — INPUT/OUTPUT FUNCTIONS
WARNING!
These schematics show the intended use of the specified controls features which
have been validated in the configuration shown. Any miswiring or use of these
features which differs from that shown could result in damage to equipment or
property, personal injury, or loss of life. ALLISON TRANSMISSION IS NOT
LIABLE FOR THE CONSEQUENCES ASSOCIATED WITH MISWIRING
OR UNINTENDED USE OF THESE FEATURES.
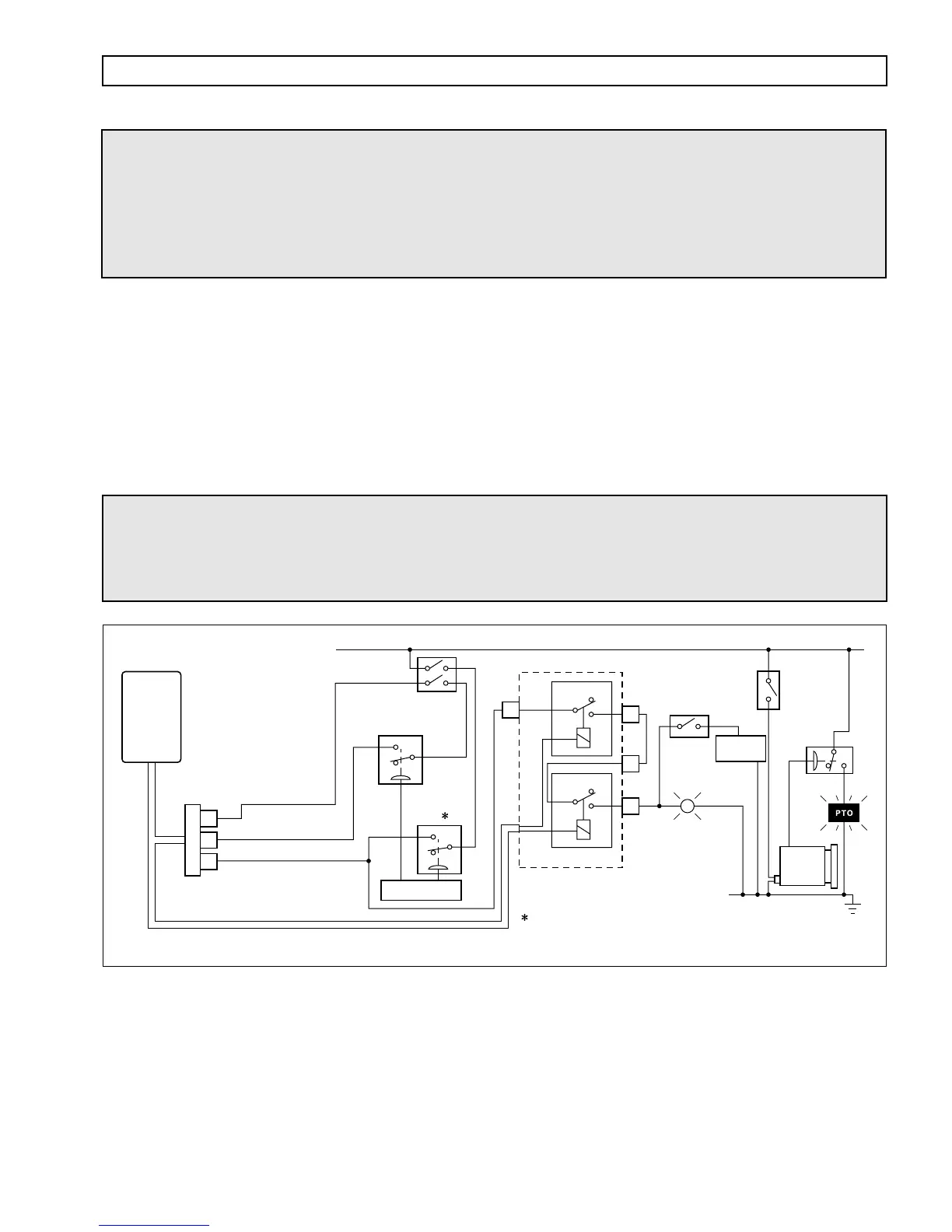
AUTOMATIC NEUTRAL FOR PTO (SPECIAL)
USES: Provides for automatic selection of NEUTRAL and enables fast idle when work brake is applied.
Automatic re-engagement of forward ranges occurs when packing is completed and work brake is
released.
VARIABLES TO SPECIFY: Maximum output speed to activate this function.
VOCATIONS: Refuse packer
Figure P–15. Automatic Neutral for PTO (Special)
WARNING!
If this function is enabled in the shift calibration, the function MUST be
integrated into the vehicle wiring. If the function is available in the shift
calibration but will not be used in the vehicle, it MUST be disabled in the
calibration.
V05020
WIRE 161B
SIGNAL GROUND
WIRE 117 PACK ENABLE
WIRE 112 PTO ENABLE 1
WIRE 114 PTO ENABLE 2
WORK BRAKE
13
16
2
LOW PRESSURE
SWITCH
(2 10 PSI)
HIGH
PRESSURE
SWITCH
(25 45 PSI)
PACK ENABLE
DASH SWITCH
SWITCHED
POWER
Relays shown de-energized
112
114
NC
COM
VIM
NO
NC
COM
NO
NC
NO
COM
NC
NO
COM
B2
F2
F3
A2
FAST IDLE
SOLENOID
DASH
LIGHT
PTO
PRESSURE
SWITCH
PTO
SWITCH
PTO
REAR PACK
CONTROL
NEUTRAL
INDICATOR
(GREEN DASH LIGHT)
WIRE 118
AUTOMATIC NEUTRAL
NOTE: Maximum switch pressure will vary according to brake system.
VIW
CONNECTOR
ECU
WARNING!
These schematics show the intended use of the specified controls features which
have been validated in the configuration shown. Any miswiring or use of these
features which differs from that shown could cause unintended selection of range
or other unpredictable operation resulting in damage to equipment or property,
personal injury, or loss of life. ALLISON TRANSMISSION IS NOT LIABLE
FOR THE CONSEQUENCES ASSOCIATED WITH MISWIRING OR
UNINTENDED USE OF THESE FEATURES.

Table of Contents

Related product manuals