EasyManua.ls Logo

Allison MD 3560 - Two Speed Axle Input and Output

Allison MD 3560
396 pages
Print Icon
To Next Page IconTo Next Page
To Next Page IconTo Next Page
To Previous Page IconTo Previous Page
To Previous Page IconTo Previous Page
Loading...
Copyright © 1998 General Motors Corp. P–17
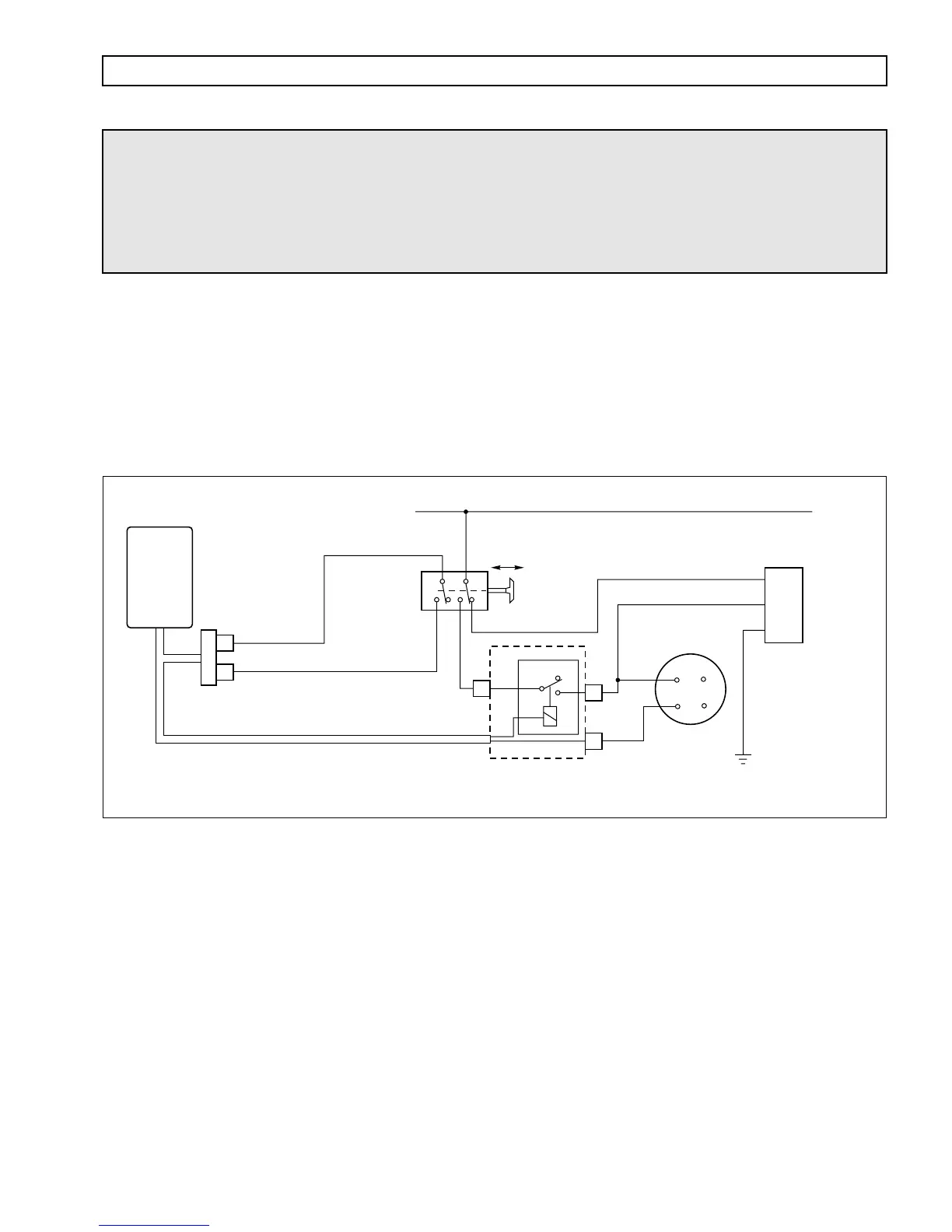
WTEC II ELECTRONIC CONTROLS TROUBLESHOOTING MANUAL
APPENDIX P — INPUT/OUTPUT FUNCTIONS
WARNING!
These schematics show the intended use of the specified controls features which
have been validated in the configuration shown. Any miswiring or use of these
features which differs from that shown could result in damage to equipment or
property, personal injury, or loss of life. ALLISON TRANSMISSION IS NOT
LIABLE FOR THE CONSEQUENCES ASSOCIATED WITH MISWIRING
OR UNINTENDED USE OF THESE FEATURES.
TWO SPEED AXLE INPUT AND OUTPUT
USES: Provides output speed interlock for axle engagement, input to ECU, and input to speedometer to adjust for
axle ratio change.
VARIABLES TO SPECIFY: Output speed to activate, output speed to deactivate
VOCATIONS: Dump truck, refuse packer, cement mixer, two-speed axle equipped vehicles
Figure P–17. Two Speed Axle Input and Output
A2
WIRE
157
NC
COM
VIM
TWO-SPEED
AXLE SWITCH
High
Axle
Low
Axle
WIRE 161B
SIGNAL GROUND
WIRE 114 TWO-SPEED AXLE OUTPUT
WIRE 157 SPEEDOMETER SIGNAL
WIRE 153
TWO-SPEED
AXLE INPUT
157
114
Relay shown de-energized
SWITCHED
POWER
SPEEDOMETER
AUX
SIG
+
GND
NO
A3
H2
V05022
HIGH
LOW
GND
AXLE
ACTUATOR
13
8
ECU
VIW
CONNECTOR

Table of Contents

Related product manuals