EasyManua.ls Logo

Allmand 185 CFM - Wiring Diagram

Allmand 185 CFM
48 pages
Print Icon
To Next Page IconTo Next Page
To Next Page IconTo Next Page
To Previous Page IconTo Previous Page
To Previous Page IconTo Previous Page
Loading...
Not for
Reproduction
39
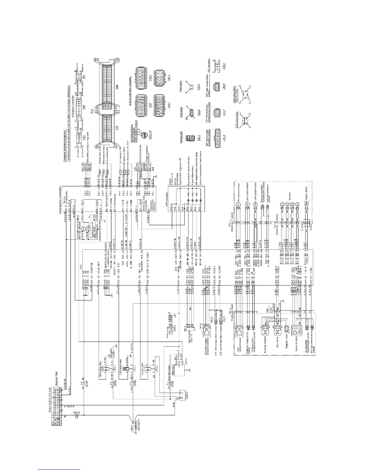
Wiring Diagram