EasyManua.ls Logo

Alpha ESS Backup Box-PLUS - Unit Instructions and Installation; Component Identification and Overview

Alpha ESS Backup Box-PLUS
18 pages
Print Icon
To Next Page IconTo Next Page
To Next Page IconTo Next Page
To Previous Page IconTo Previous Page
To Previous Page IconTo Previous Page
Loading...
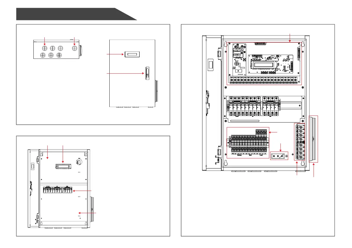
① Power connecon port
② Communicaon port
③ LCD Screen
④ Lock
① Insulang plate
② Insulang plate
③ LCD Screen
④ Control switch
Control panel
Terminal block
③ Reserved grounding copper bar
④ Bypass switch
⑤ STW-10A
Instrucon

Related product manuals