EasyManua.ls Logo

Alpha CD24 - Page 34

Alpha CD24
44 pages
Print Icon
To Next Page IconTo Next Page
To Next Page IconTo Next Page
To Previous Page IconTo Previous Page
To Previous Page IconTo Previous Page
Loading...
34
Alpha CD24/32 - Wiring Diagrams
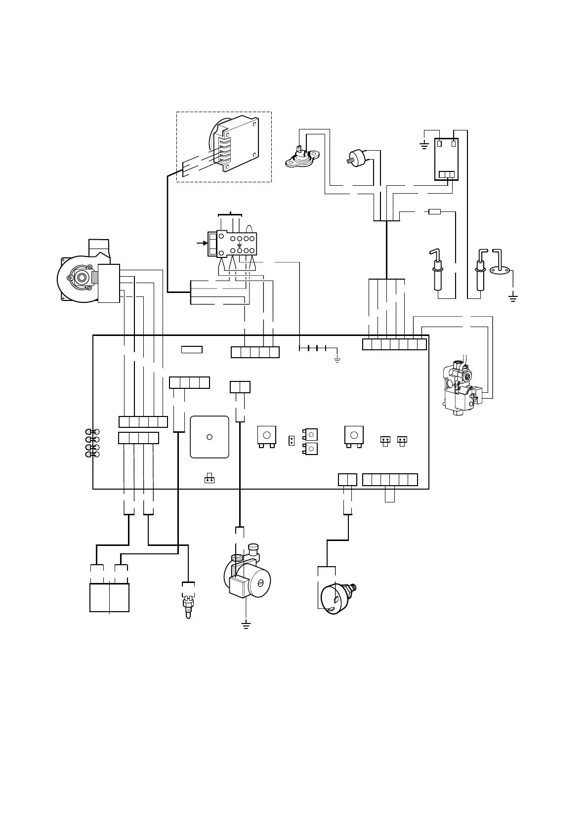
9.2 CD24S ILLUSTRATED WIRING DIAGRAM
Br - Brown
Bk - Black
Bl - Blue
R-Red
Or - Orange
G - Green
G/Y - Green/Yellow
W - White
Gy - Grey
Pk - Pink
P - Purple
NOTE: TO CONNECT EXTERNAL CONTROL
REMOVE LINK FROM TERMINALS1&2
AND CONNECT 230/240 V SWITCHED LIVE TO
TERMINAL1.
A FROST THERMOSTAT IS INCORPORATED
WITHIN THE MAIN PCB
Gas Valve
G/Y
Gy
Bk
Or
R
W
Pump
Primary
Temperature
Sensor
Transformer
RR
Fuse
F2A
Link
Supply
230/240V-50Hz Fused at 3A
2
21
1NL
X6
X9
S3
S1 S2
X10
X8
LN
X16
X7
X1
Main
PCB
CH SETDHW SET
FUSE 315 mAT
CH CAP
MAX CAP
X11
X12
X4
H1
Green LED
H4
Yellow LED
H3
Red LED
H2
Red LED
Br
Bl
29 30 31 32
R
R
Br
Br
Bl
Bk
Bl
G
Or
Or
Primary Pressure
Switch
Br
Br
R
Bl
Bl
R
Pk
Pk P
Gy
Pk
Pk Gy
P
Or
W
Bl
Bk
Br
Or
Or
Fan
Flame
Sensing
Electrode
Flue Limit
Thermostat
Overheat
Thermostat
Or
Bk
Bk
W
R
W
Gy
Spark
Generator
Ignition
Electrodes
40
36
35
11
41
37
12
42
18
44
19
45
38
13
43
39
14
3433 3
55
2
24
49
26
51
25
50
22
47
23
48
2721
46
R
5
4
3
2
1
Br
R
Bl
(Optional) Clock
240 Vac
24 Vac
NO
COM

Related product manuals