EasyManua.ls Logo

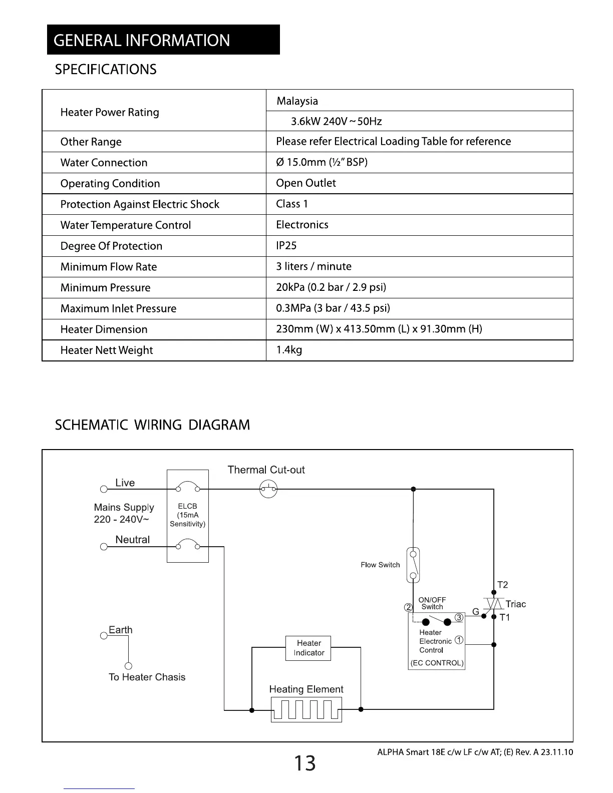
Alpha Smart 18E - Specifications and Wiring Diagram; Heater Specifications; Schematic Wiring Diagram

Alpha Smart 18E
14 pages
Print Icon
To Previous Page IconTo Previous Page
To Previous Page IconTo Previous Page
Loading...

Related product manuals