EasyManua.ls Logo

Alpine 9ZUA148 - Connections

Alpine 9ZUA148
41 pages
Print Icon
To Next Page IconTo Next Page
To Next Page IconTo Next Page
To Previous Page IconTo Previous Page
To Previous Page IconTo Previous Page
Loading...
34-EN
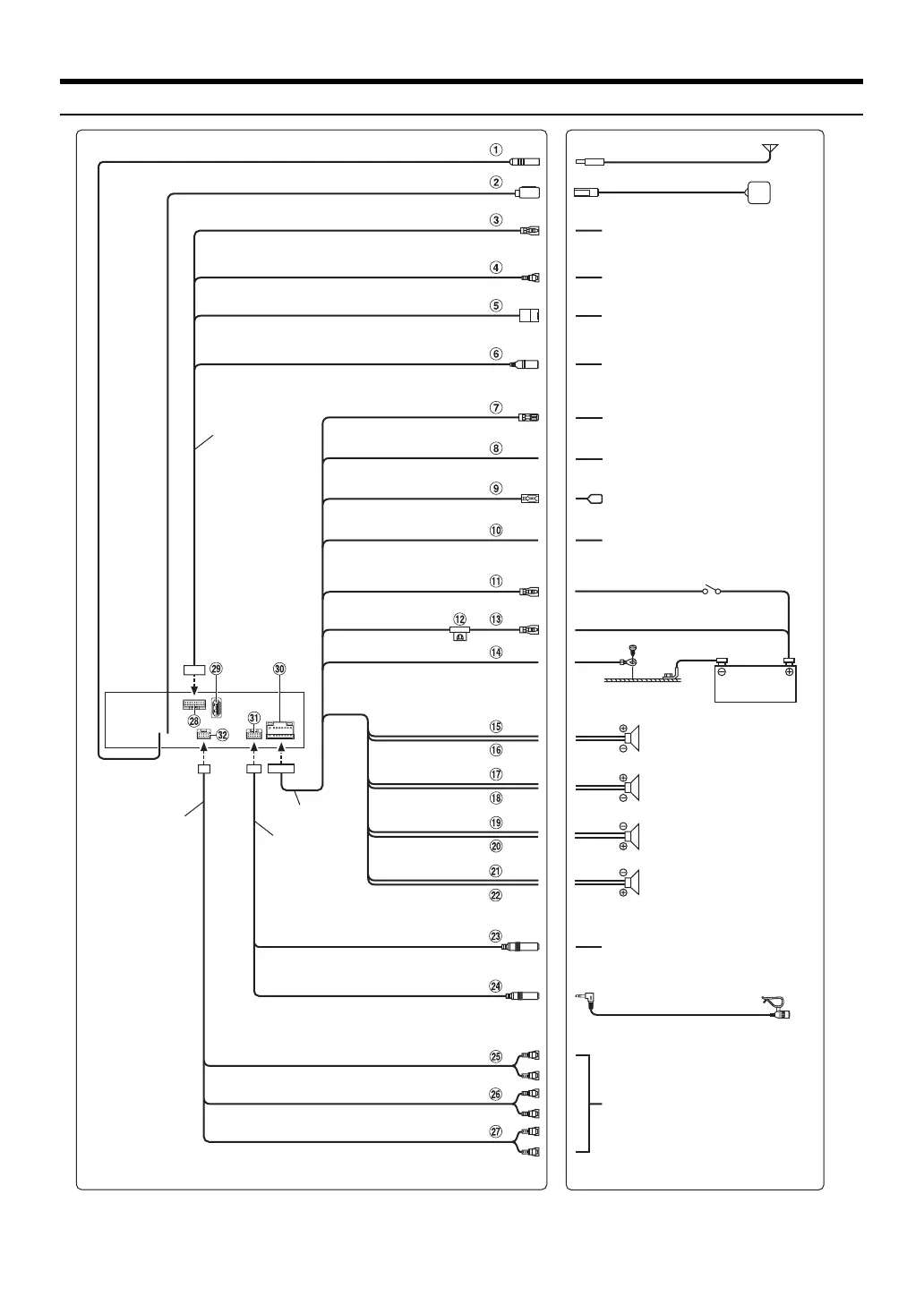
Connections
Power cable
W.REMOTE cable
STEERING REMOTE
FRONT OUT
MIC IN
REAR OUT
SUBW
To steering remote control
interface box
Microphone (Included)
To input terminal of amplifier when
adding an external amplifier
PRE OUT cable
Interface cable
SPEED SENSOR
(Green/White)
CAMERA
IDATALINK I/F
AUX INPUT
REMO
(Blue/White)
REVERSE
(Orange/White)
P. AN T
(Blue)
PARKING BRAKE
(Yellow/Blue)
(Green)
(Green/Black)
(White)
(White/Black)
(Gray/Black)
(Gray)
(Violet/Black)
(Violet)
ACC
(Red)
BATT
(Yellow)
GND
(Black)
Vehicle Antenna
GPS Antenna (Included)
To the vehicle speed pulse line
To Front, Rear or Side camera
To iDataLink module
To Video/Audio (R, L) Output
terminal
To amplifier or equalizer
To plus side of the back-up lamp
signal lead of the car
To power antenna
To the parking brake signal lead
Rear Left
Front Left
Front Right
Rear Right
Speakers
Battery
Ignition key

Table of Contents

Related product manuals