EasyManua.ls Logo

Alpine CDM-9803R - Page 13

Alpine CDM-9803R
48 pages
Print Icon
To Next Page IconTo Next Page
To Next Page IconTo Next Page
To Previous Page IconTo Previous Page
To Previous Page IconTo Previous Page
Loading...
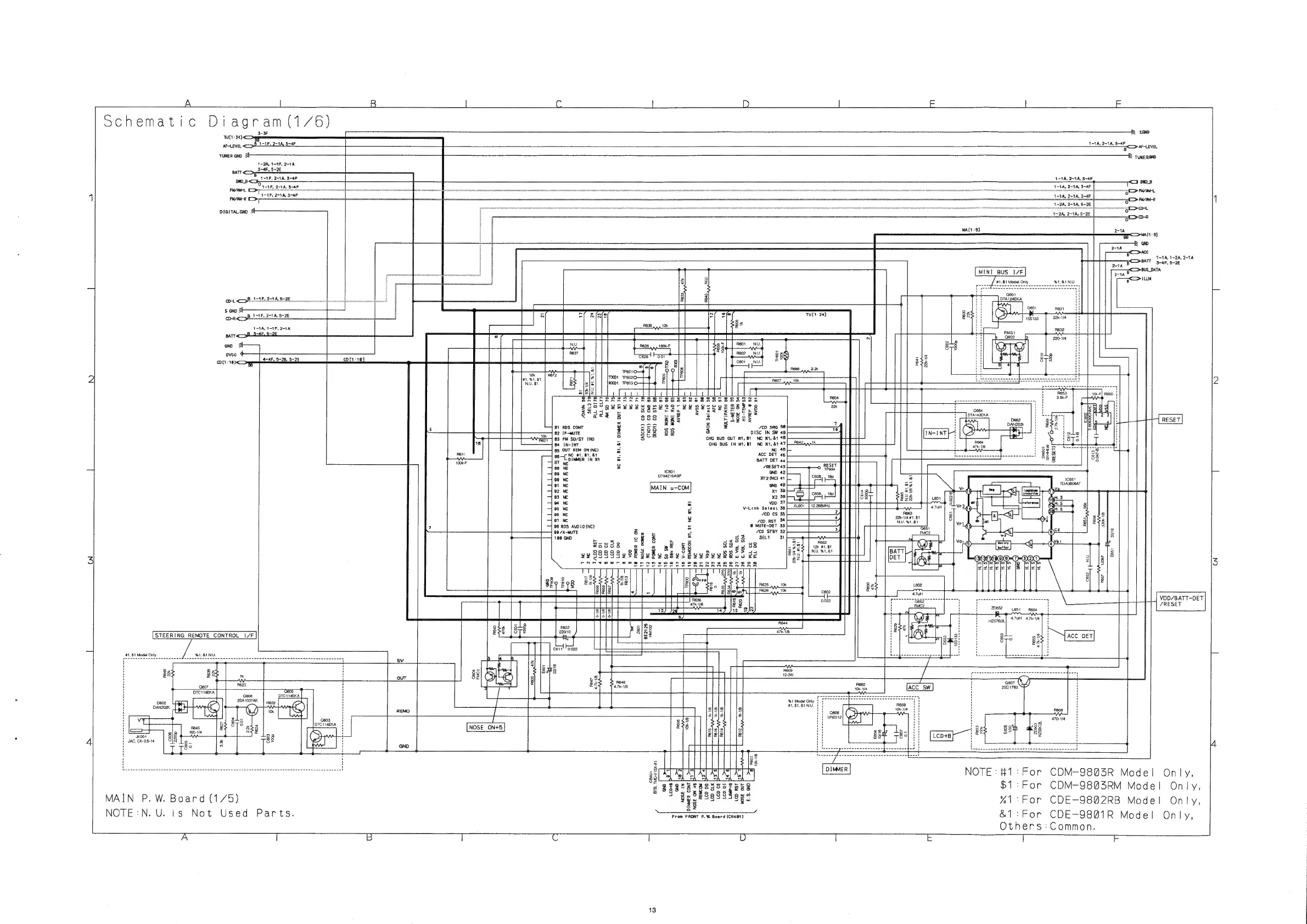
Schematic
Diagr
cso
A——
COLt
:10]<
ge
Wit
24)<>
=
AFALEVEL
<pB
STA
2-1,
Sma
TUNER
GND
1-2A
AATF,
2-1
BATT
edn
S2E
Sw_B<o
1-1F,
2-1A,
3-4F
FAL,
FA/AM-R
>
am
(1/6)
DIGITAL.GND
ss
CO
TE
BTU
BPE
canenanmarnssstansenseie
S
GND
BI-1F,
2-1A,
5-2E
1-1A,
1-1F,
2-1
BATT<—&
ovec
F
4~4F,
5-28,
5-2E
STEERING
REMOTE
CONTROL
_1/F
2606
2SA1037AK
VY
MAIN
P. W.
Board
(1/5)
NOTE:N.
U.
is
Not
Used
Parts.
5V
OUT
1-1A, 2-1A,
5-4F
8
1-1A, 2-1A,
3-4F.
4S
SGND
AF-LEVEL
1S
TUNE
RGND
<I
SWB
NOSE
_ON+5
MA(1:8)
TT
St
LE
Ee
EEE
ECS
SS
SESS
SRE
S
ee
ERA
ere
ELQVOxonveace
nexouore
eo
Reeeuseeee
ee
yeaE
eT
EERO
g
2
eco
ssf
<
3
een1e<
S88
382
&
Edge
1
ROS
CONT
&
SEE
GS
2
32
see
FF
z
——]
82
IF-MUTE
3
522
88
cs
Disc
IN
SW
49
AS]
83
FM
SD/ST
IND
5
oe
CHG
BUS
OUT
#1,
$7
|
Om
IN-INT
=
CHG
BUS
IN
#1,
$1
NC
x1,4147
85
OUT REM
ON(NC)
=
Bo
NC
#1.
$1,
81
=
DIMMER
IN
%1
end
87
we
=
88
NC
2
ices
88
NC
D784216AGF
{00
Nc
a
MAIN
u-COM
83
NC
04
NC
s
05
NC
=
V-Link
Select
36
96
NC
a
97
Nc
2
—]
98
RDS
AVOID
(NC)
3
@
MUTE-DET
53
90
/A-MUTE
Be
=
1@@
GND
'
2g
E
=
Ba
=
2
8
o
a
3<BB
sue
Py
5s
oa
Wo
38
« «
2
Ba
ua
88888
y8E
Zoby
sys
oy
sy
yee
ee
az
PISSSZSa
SSP
2
ege2suSesS2e2
uu
ae
PT
DOP
OME
AMD
BRODS-NKHYoOrODS
TRESSKARARRRRAS
TS
SS
YW
se
&
°
gl
eo
Bs
i
==
el
eejot
|
po
TT
Rese
2
[
{|
Pf
aie.
ef
a
601
BUS
I/F
DTA124EKA
R661
22k
1/4
%
1,81
NU.
#181
Lond
a
CBE0t
BIB,
TMD-V15X-A1
SSR
Crr
Ee
err
23
52
|
From
FRONT
P.W.
Board
(CH401)
#1,
$1,
&1
NU.
fw
se
(6)
aan
EXXKG
ff
BXDO)
Ret
LR
sel
Lk
en
2-1A
M16)
8
Gn
2-1
<—e
4-1A,
1-2A,
2-14
Pa
ea
BATT
3-46,
6-26
<>
BUS_DATA
[
RESET
|
NOTE:
#1:
For
CDM-98@3R
Model
$1:
For
CDM-S8@3RM
41:For
CDE-98@82RB
&1:
For
CDE-98@1R
Model
Others:
Common.
Model
Model
VDD/BATT-DET
/RESET
Only,
Only,
Only,
Only,
eee
——
——F

Related product manuals