EasyManua.ls Logo

Alpine iLX-F511 - Page 90

Alpine iLX-F511
92 pages
Print Icon
To Next Page IconTo Next Page
To Next Page IconTo Next Page
To Previous Page IconTo Previous Page
To Previous Page IconTo Previous Page
Loading...
90-EN
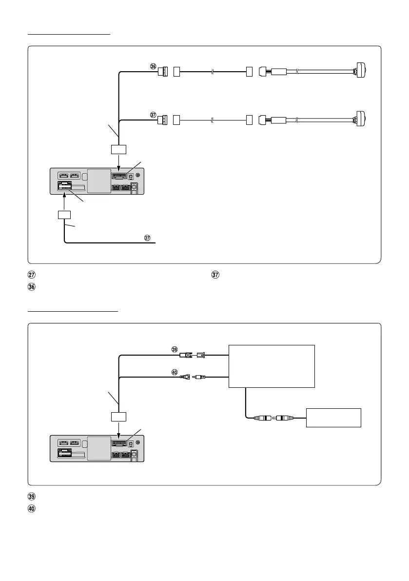
Connection of a Camera
CAMERA cable
Power Supply Connector
Power cable
CAMERA Connector
Reverse
(Orange/White)
Camera extension cable
(included with direct rearview camera)
Rear Camera (sold separately)
Front or Side Camera
(sold separately)
REAR CAMERA
FRONT CAMERA Camera extension cable
(included with direct frontview camera)
Connect to the plus side of the car’s reverse lamp.
Reverse Lead (Orange/White)
REAR CAMERA Input Connector
FRONT CAMERA Input Connector
Connection of a Dash Cam
CAMERA cable
CAMERA Connector
(Yellow)
Rear Camera
(sold separately)
Dash Cam
(sold separately)
LIN
Drive Recorder IN
LIN Connector
Drive Recorder Input Connector

Table of Contents

Other manuals for Alpine iLX-F511

Related product manuals