EasyManua.ls Logo

Alpine iLX-W650 - Connections

Alpine iLX-W650
55 pages
Print Icon
To Next Page IconTo Next Page
To Next Page IconTo Next Page
To Previous Page IconTo Previous Page
To Previous Page IconTo Previous Page
Loading...
48-EN
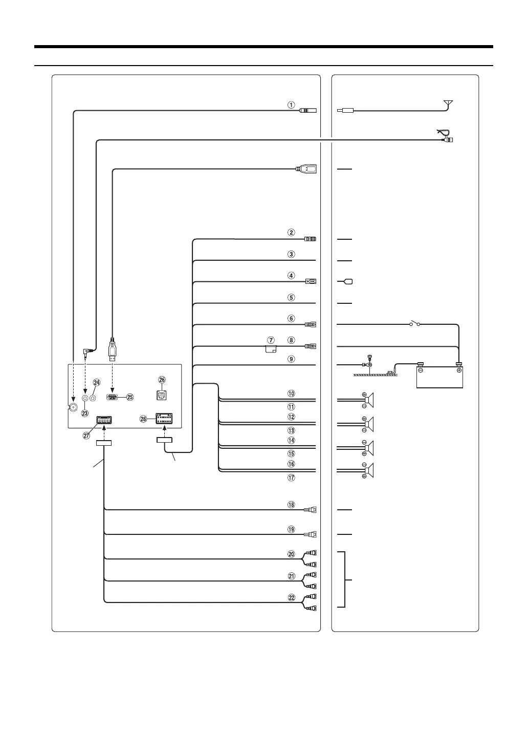
Connections
Power cable
SUBW
FRONT OUT
REAR OUT
Microphone (included)
To input terminal of amplifier when
adding an external amplifier
PRE OUT cable
REMO
(Blue/White)
REVERSE
(Orange/White)
P. A N T
(Blue)
PARKING BRAKE
(Yellow/Blue)
(Green)
(Green/Black)
(White)
(White/Black)
(Gray/Black)
(Gray)
(Violet/Black)
(Violet)
ACC
(Red)
BATT
(Yellow)
GND
(Black)
Vehicle Antenna
To RCA Fro nt camera
To amplifier or equalizer
To plus side of the back lamp signal
lead of the car
To power antenna
To the parking brake signal lead
Rear Left
Front Left
Front Right
Rear Right
Speakers
Battery
Ignition key
To USB flash drive, iPhone or Android
smartphone.
USB extension cable (included)
FRONT VIEW CAMERA
To RCA Re ar c ame ra
REAR VIEW CAMERA

Table of Contents

Other manuals for Alpine iLX-W650

Related product manuals