EasyManua.ls Logo

Alpine iLX-W690D - Page 67

Alpine iLX-W690D
73 pages
Print Icon
To Next Page IconTo Next Page
To Next Page IconTo Next Page
To Previous Page IconTo Previous Page
To Previous Page IconTo Previous Page
Loading...
67-EN
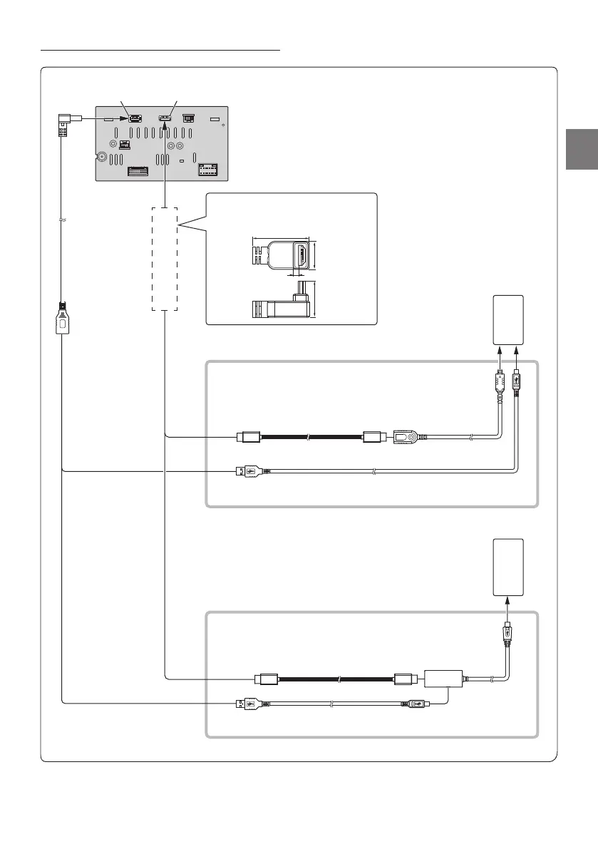
Connection of an HDMI Device (Android device)
28.9 mm
2.5 mm
21 mm
28 mm
USB connector HDMI input connector
USB extension
cable (Included)
Connect using an L-Type HDMI cable
that is within the size as illustrated
below.
Android device with
HDMI connector
(sold separately)
Android device with
MHL connector
(sold separately)
MHL connection kit KCU-610HD
(sold separately)
HDMI connection cable
HDMI Type-D
conversion adapter
Micro USB conversion cable
MHL connection kit KCU-610MH
(sold separately)
HDMI connection cable
MHL conversion
adapter
Micro USB conversion cable
A connection kit or adapter kit suitable for the type of terminal on the connecting device is required.

Table of Contents

Related product manuals