EasyManua.ls Logo

Alpine IVA-W502E - System Example

Alpine IVA-W502E
81 pages
Print Icon
To Next Page IconTo Next Page
To Next Page IconTo Next Page
To Previous Page IconTo Previous Page
To Previous Page IconTo Previous Page
Loading...
78-EN
01GB07IVA-W502E.fm
ALPINE IVA-W502E 68-12118Z56-A (EN)
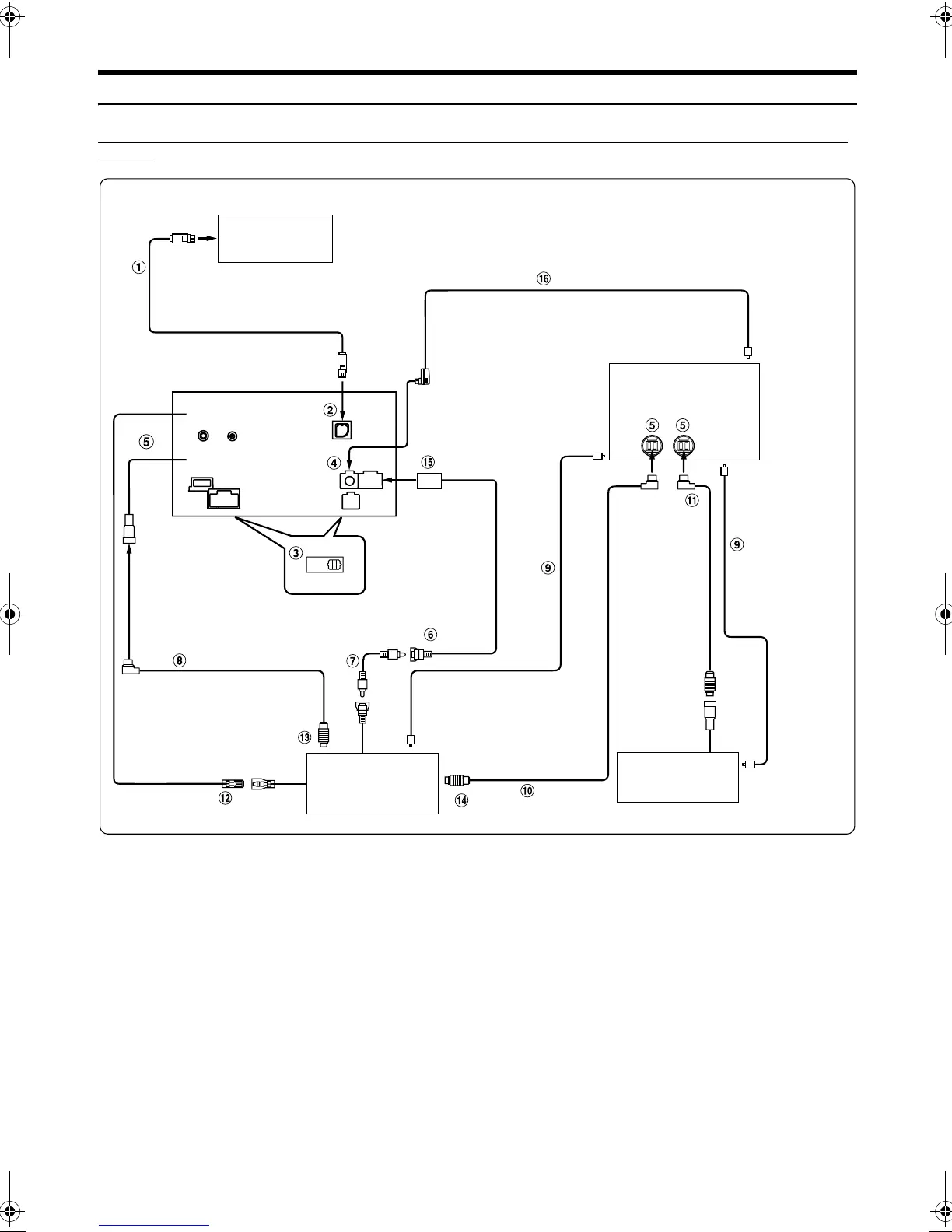
System Example
Connect the Ai-NET compatible audio processor (Fiber optic digital compatible), Navigation system, DVD player and
changer.
When the fiber optic compatible product is connected, it is necessary to set the mode of this unit. Refer to “Setting the Digital Output” (page 37)
and set to ON.
Please observe the following when using Fiber Optic Cable (Optical Digital Cable).
Do not coil the Fiber Optic Cable smaller than a 30 mm radius.
Do not place anything on top of the Fiber Optic Cable.
Be careful not to bend the Fiber Optic Cable at a sharp angle.
NORM EQ/DIV
Navigation system
(Sold Separately)
Optical Digital Cable (KWE-610A)
Fiber optic digital Input
terminal (for head unit)
Audio Processor (Ai-NET)
(Fiber Optic Digital
compatible) (Sold
Separately)
Fiber optic digital
Input terminal (for
DVD Player)
Ai-NET cable
Fiber optic digital
Input terminal (for
Changer)
*Fiber optic cable
Ai-NET
cable
CD Changer
(Ai-NET)
(Sold Separately)
*Only connect fiber optic digital compatible CD Changer
DVD Video Player
(Ai-NET)
(DVA-5210 etc.)
(Sold Separately)
Fiber
optic
cable
REMOTE IN
REMOTE OUT
(White/Brown)
(White/Brown)
(Yellow)
Ai-NET cable
01GB00IVA-W502E.book Page 78 Wednesday, February 20, 2008 4:12 PM

Table of Contents

Related product manuals