EasyManua.ls Logo

Alpine IVA-W502E - Page 81

Alpine IVA-W502E
81 pages
Print Icon
To Previous Page IconTo Previous Page
To Previous Page IconTo Previous Page
Loading...
80-EN
01GB07IVA-W502E.fm
ALPINE IVA-W502E 68-12118Z56-A (EN)
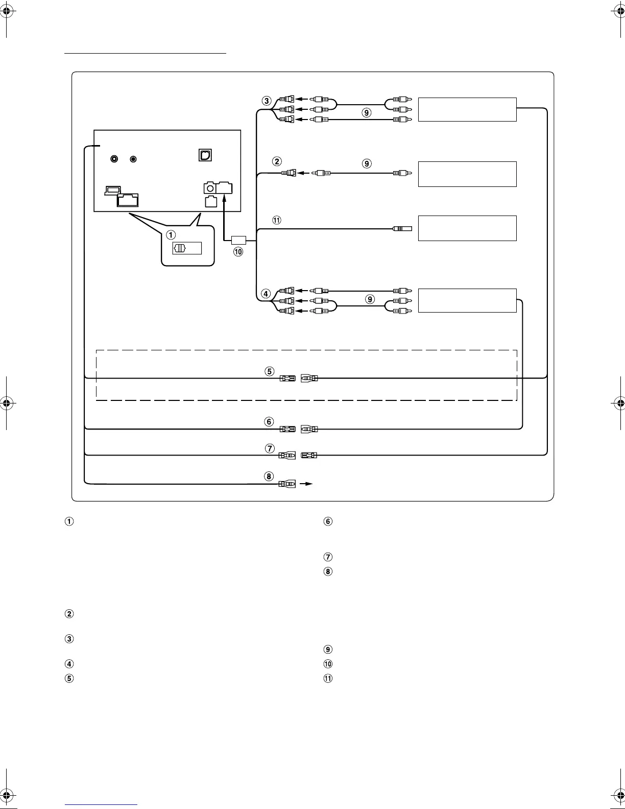
When Connecting External Equipment
System Switch
When connecting an equalizer or divider using Ai-NET
feature, place the two switches in the EQ/DIV position.
When no device is connected, leave the switches in the
NORM position.
Do not make the two switches to different settings.
Be sure to turn the power off to the unit before changing the switch
position.
CAMERA Input Connector
Use when connecting a back-up camera.
Video/Audio Output Connectors (AUX OUTPUT)
Use when connecting an optional monitor etc.
Video/Audio Input Connectors (AUX INPUT)
Monitor Control Lead (White/Pink)
Connect this to the Monitor Control Lead of the touch panel-
compatible rear monitor.
Remote Control Output Lead (White/Brown)
Connect this lead to the remote control input lead. This lead
outputs the controlling signals from the remote control.
Remote Control Input Lead (White/Brown)
Reverse Lead (Orange/White)
Use only when a back-up camera is connected. Connect to
the plus side of the car’s reverse lamp. This lamp illuminates
when the transmission is shifted into reverse (R).
With this lead properly wired, the video picture
automatically switches to the back-up camera whenever the
car is put into reverse (R).
RCA Extension Cable (Sold Separately)
AUX I/O Camera In Connector
S Video Input Connector
Input the video signal.
Connect to the output terminal of S video of connected
devices.
NORM EQ/DIV
To Audio Input terminal
To Video Input terminal
To Video Output terminal
To Video Output terminal
To Audio Output terminal
Rear monitor
(Sold Separately)
Back-up camera
(Sold Separately)
TV Tuner or VCR
(Sold Separately)
(White/Pink) M.CONT
M.CONT (White/Pink)
(White/Brown) REMOTE OUT REMOTE IN (White/Brown)
(White/Brown) REMOTE IN REMOTE OUT (White/Brown)
(Orange/White) REVERSE
Use only when back-up camera is connected.
* Connect this to the touch panel-compatible rear monitor.
To S Video Output terminal
Device with S Video terminal
(Sold Separately)
01GB00IVA-W502E.book Page 80 Wednesday, February 20, 2008 4:12 PM

Table of Contents

Related product manuals