EasyManua.ls Logo

Alpine MRD-M1001 - System Configurations; Single-Speaker System Wiring; Parallel-Speaker System Wiring

Alpine MRD-M1001
24 pages
Print Icon
To Next Page IconTo Next Page
To Next Page IconTo Next Page
To Previous Page IconTo Previous Page
To Previous Page IconTo Previous Page
Loading...
20
Español
Français
English
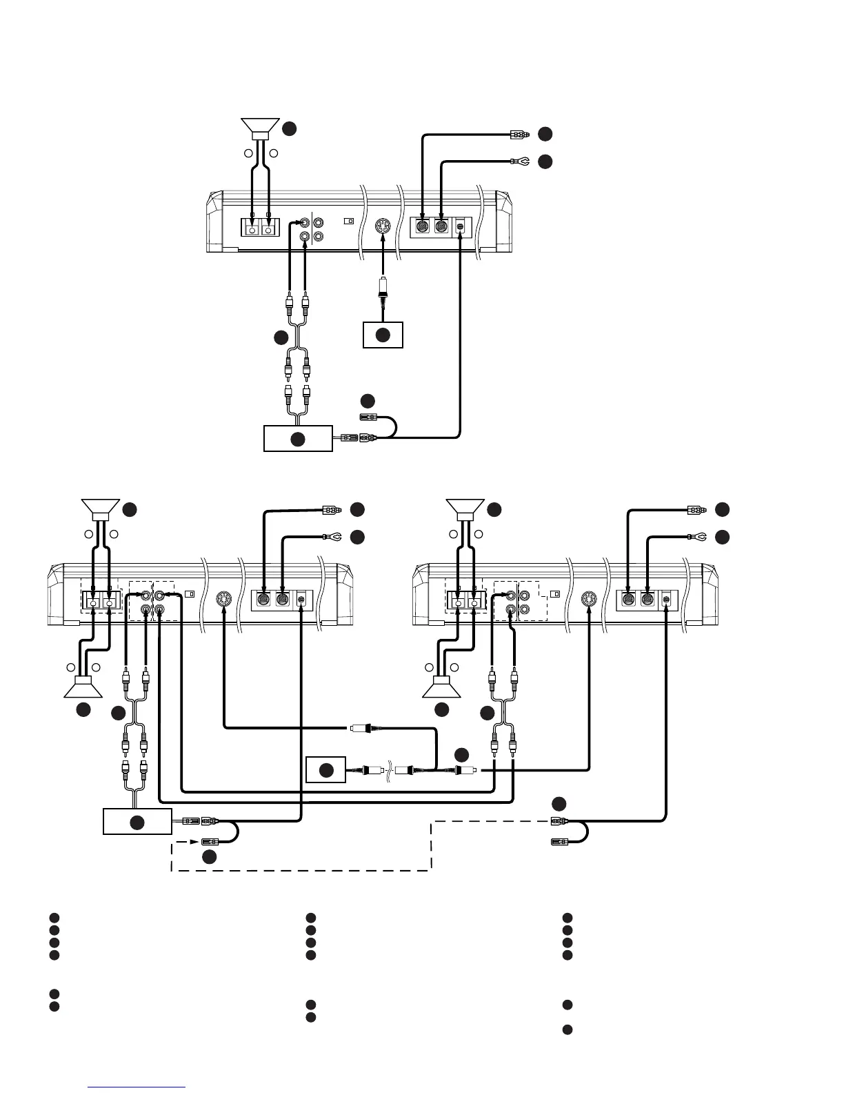
Single-Speaker System/Système à un seul haut-parleur/Sistema de un sólo altavoz
Parallel-Speaker System/Système à haut-parleur parallèle/Sistema de altavoz paralelo
[English]
16
RCA Extension Cable (Sold Separately)
17
Head Unit etc.
18
Subwoofer
19
Bass Control Knob (Sold separately, see page 6)
* Parallel connection usage of Bass control knob
is impossible.
20
Remote Controller (Sold separately, see page 6)
21
Y-Cable (Sold separately)
[Français]
16
Câble de rallonge RCA (vendu séparément)
17
Unité principale, etc.
18
Haut-parleur de sous-graves
19
Bouton de commande des graves (vendu
séparément, voir la page 6)
*Lutilisation de la connexion parallèle du bouton
de commande des graves est impossible.
20
Télécommande (vendue séparément, voir la page 6)
21
Câble Y (vendu séparément)
[Español]
16
Cable de extensión RCA (vendido separadamente)
17
Unidad principal, etc.
18
Altavoz de frecuencias ultrabajas
19
Botón de control de graves (vendido separadamente,
véase la página 6)
* El uso de la conexión paralela del botón de con-
trol de graves es imposible.
20
Control remoto (vendido separadamente, véase la
página 6)
21
Cable Y (vendido separadamente)
(L) (R)
(L) (R)
16
17
19
6
*ch1+ch2
SPEAKER OUTPUT
POWER SUPPLY
CONTROLLER
BATTERY
CH-1 CH-1
CH-2 CH-2
(R)
(L)
INPUT
PREOUT
INPUT LEVEL
0.5V-8.0V 0.1V-2.0V
REMOTEGND
+
18
7
5
SPEAKER OUTPUT
POWER SUPPLY
CONTROLLER
BATTERY
CH-1 CH-1
CH-2 CH-2
(R)
(L)
INPUT
PREOUT
INPUT LEVEL
0.5V-8.0V 0.1V-2.0V
SPEAKER OUTPUT
POWER SUPPLY
CONTROLLER
BATTERY
CH-1 CH-1
CH-2 CH-2
(R)
(L)
INPUT
PREOUT
INPUT LEVEL
0.5V-8.0V 0.1V-2.0V
REMOTEGND REMOTEGND
7
5
(L) (R)
16
6
+
+
18
18
7
5
(L) (R)
(L) (R)
16
17
20
21
6
*ch1+ch2
*ch1+ch2
+
18
+
18
(Rear)
(Arrière)
(Parte trasera)
(Rear)
(Arrière)
(Parte trasera)
(Rear)
(Arrière)
(Parte trasera)
SYSTEMS/SYSTEMES/SISTEMAS
Fig. 8
Fig. 9

Other manuals for Alpine MRD-M1001

Related product manuals