EasyManua.ls Logo

Alpine SWD-2000 - Page 26

Alpine SWD-2000
55 pages
Print Icon
To Next Page IconTo Next Page
To Next Page IconTo Next Page
To Previous Page IconTo Previous Page
To Previous Page IconTo Previous Page
Loading...
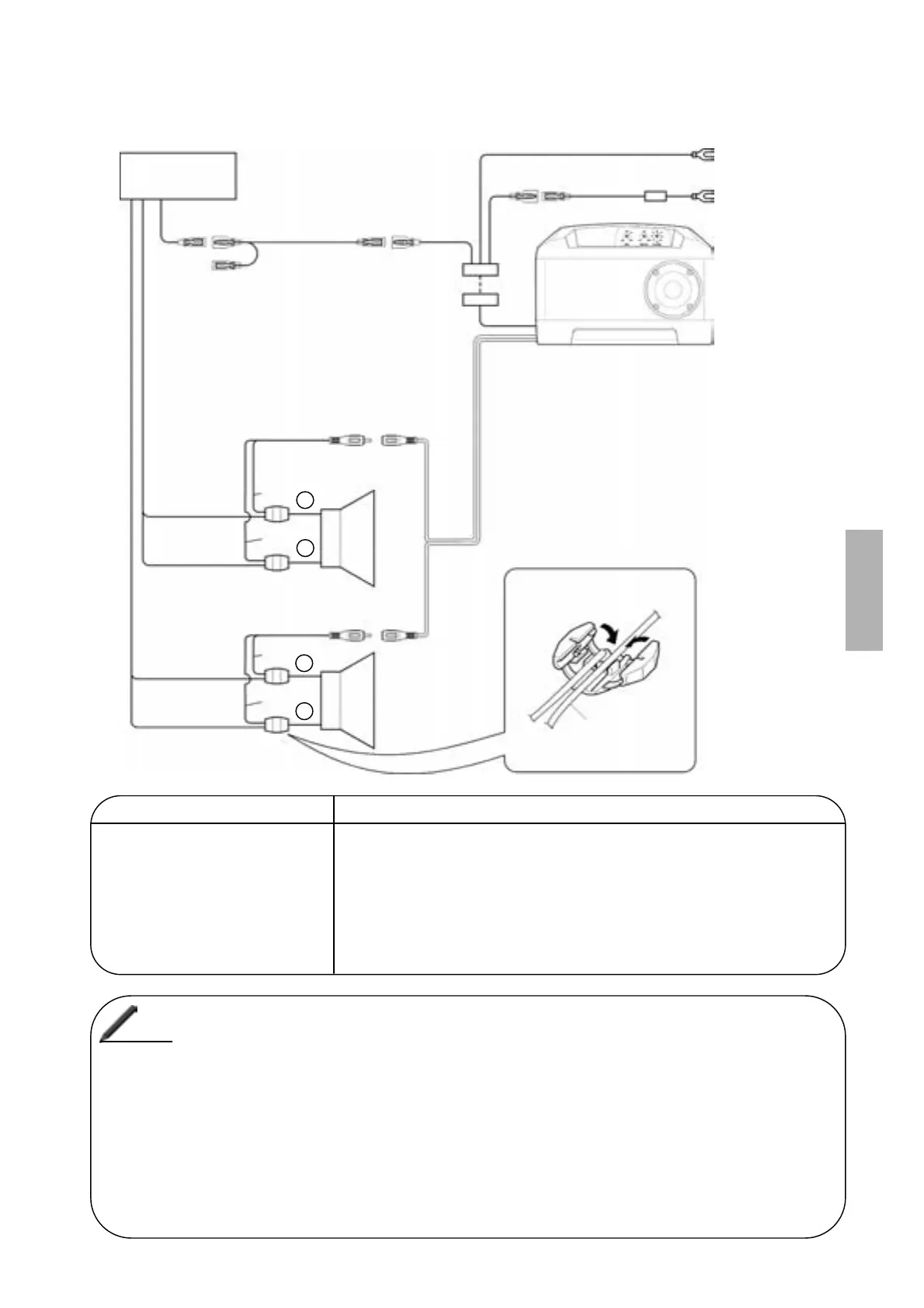
RACCORDEMENTS POUR UNE ENTRÉE AU NIVEAU DES ENCEINTES
Station de
commande
Bleu/Blanc
Rallonge de mise en
marche à distance
Mise en marche à distance
Noir
Câble de mise
à la masse
Rallonge de
batterie *
FUSIBLE
20A
Jaune
Enceinte au câble
d’entrée RCA
Enceinte au câble
d’entrée RCA
Enceinte gauche
Vert
Enceinte gauche
Vert/Noir
+
_
Blanc
Rouge
Enceinte droite
Violet
Enceinte droite
Violet/Noir
+
_
* Veillez à toujours utiliser la rallonge
électrique fournie, et à ne pas la couper ni
la modifier pour éviter toute détérioration
ou tout dysfonctionnement.
Raccordements Scotchlock
Appuyez jusqu’à
ce que tout soit
bien fixé
Le câble doit faire
2-2,7mm de diamètre.
S’il fait plus, demandez
conseil à Alpine
Type de câble Complément d’information
Mise en marche
à distance
Mise à la masse
Batterie
Raccordez au câble de mise en marche à distance de la station.
Si la station de commande n’est pas équipée d’un tel câble, utilisez le
câble ACC du véhicule, c-à-d. celui qui alimente le circuit électrique
quand la clé est en position ACC.
Fixez solidement contre du métal nu sur le châssis de la voiture.
Raccordez directement aux cosses positives de la batterie de voiture.
Mémo
Ce produit ne convient pas aux voitures équipées d’un système à polarité négative courant.
L’impédance des enceintes doit être de 3,2 ~ 8 ohms.
Pour empêcher la pénétration de bruits externes dans le système audio :
Situez l’appareil et acheminez les câbles à 10 cm au moins des harnais de la voiture.
Éloignez le plus possible les câbles de batterie des autres câbles.
Fixez solidement le câble de mise à la masse contre du métal nu (retirez le revêtement le cas
échéant) sur le châssis de la voiture.
Si vous installez un suppresseur de bruit en option, raccordez-le le plus loin possible de
l’appareil. Demandez conseil auprès de votre distributeur Alpine qui possède plusieurs modèles
de suppresseurs de bruit Alpine.
Consultez votre distributeur Alpine pour tout complément d’information sur les mesures de
lutte anti-bruit.
FR
26