EasyManua.ls Logo

Alpine SWD-2000 - Información Adicional

Alpine SWD-2000
55 pages
Print Icon
To Next Page IconTo Next Page
To Next Page IconTo Next Page
To Previous Page IconTo Previous Page
To Previous Page IconTo Previous Page
Loading...
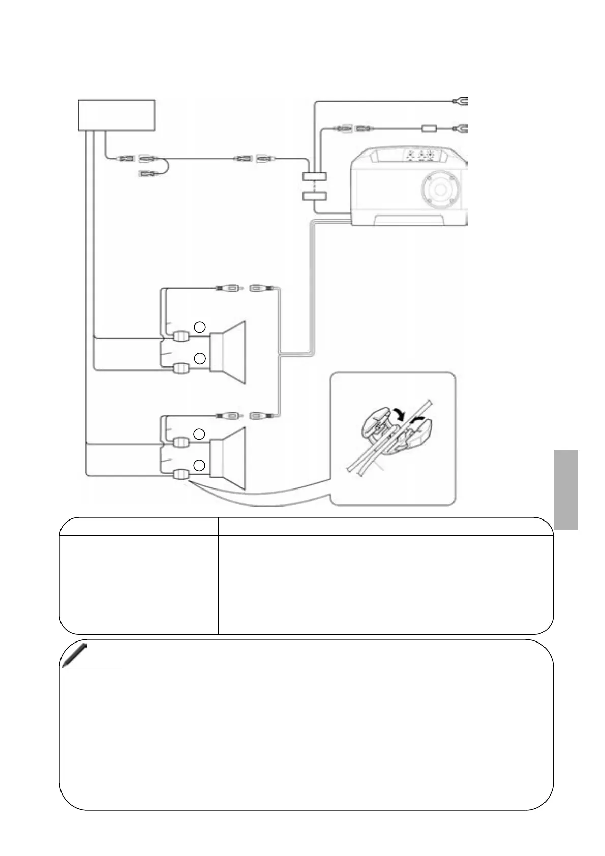
CONEXIONES PARA ENTRADA POR ALTAVOZ
Unidad principal
Azul/blanco
Alargador del
encendido a distancia
Encendido a distancia
Negro
Conexión
de masa
Alargador de
la batería *
FUSIBLE
20 A
Amarillo
Cable de entrada
de altavoz a RCA
Cable de entrada
de altavoz a RCA
Altavoz izquierdo
Verde
Altavoz izquierdo
Verde/negro
+
_
Blanco
Rojo
Altavoz derecho
Violeta
Altavoz derecho
Violeta/negro
+
_
* Use siempre el alargador de
alimentación suministrado. No lo corte o
modifique, ya que podría provocar daños o
averías.
Conexiones utilizando Scotchlock
Presione hasta
que esté bien
fijado
El cable debe tener de
2 a 2,7 mm de diámetro.
De lo contrario, consulte con su
distribuidor Alpine.
Tipo de cable Información adicional
Cable de encendido a distancia
Cable de masa
Cable de suministro de la batería
Conéctelo al cable de encendido a distancia de la unidad principal.
Si la unidad principal no dispone de este cable, conéctelo al cable
ACC del vehículo, que es el cable que está bajo tensión cuando la llave
está en la posición ACC.
Conéctelo firme y seguramente a una zona de metal desnudo del
chasis del coche.
Conéctelo directamente al borne positivo de la batería del vehículo.
Recuerde
Este producto no se puede usar en vehículos con un sistema de altavoces con negativo
común.
La impedancia del altavoz debe ser de 3,2 ~ 8 ohm.
Para evitar que entre ruido externo en el sistema de audio, haga lo siguiente:
Sitúe la unidad y ponga los cables a una distancia mínima de 10 cm del sistema eléctrico del
vehículo.
Sitúe los cables de batería tan alejados como sea posible del resto de cables.
Conecte firme y seguramente el cable de conexión a masa a una zona de metal desnudo
del chasis del coche (si es necesario quite la pintura).
Si incorpora un supresor de ruido opcional, conéctelo tan lejos de la unidad como sea
posible. Su distribuidor Alpine dispone de supresores de ruido, póngase en contacto con él si
desea más información.
Su distribuidor Alpine puede informarle acerca de medidas de prevención de ruido, por lo
que no dude en ponerse en contacto con él si desea obtener más información.
ES
35