EasyManua.ls Logo

Alpine SWD-2000 - Ytterligare Information

Alpine SWD-2000
55 pages
Print Icon
To Next Page IconTo Next Page
To Next Page IconTo Next Page
To Previous Page IconTo Previous Page
To Previous Page IconTo Previous Page
Loading...
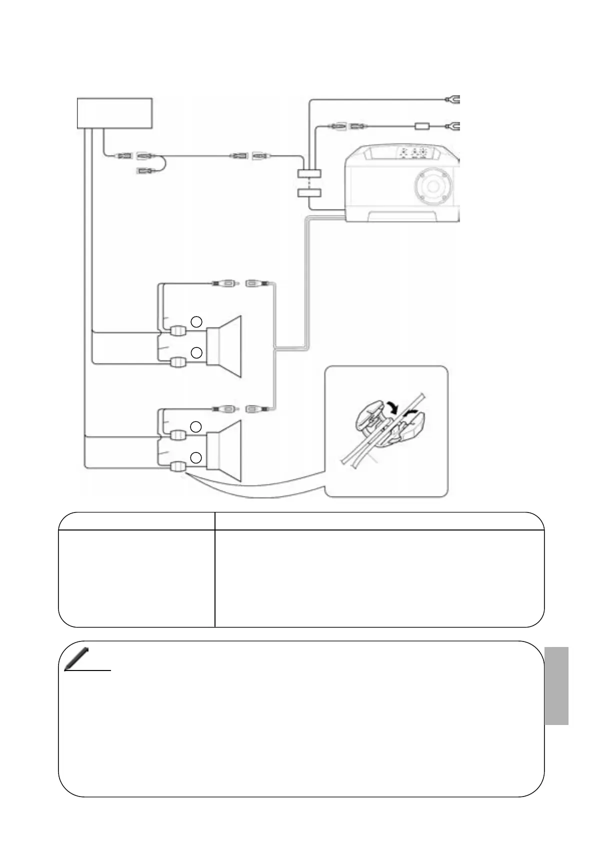
ANSLUTNING FÖR HÖGTALARNIVÅINMATNING
Huvudenhet
Blå/Vit
Förlängningssladd för
fjärrpåslagning
Fjärrpåslagning
Svart
Jord-
anslutning
Batteri-
förlängningssladd*
SÄKRING
20A
Gul
Ingående
RCA-högtalarsladd
Ingående
RCA-högtalarsladd
Vänster högtalare
Grön
Vänster högtalare
Grön/Svart
+
_
Vit
Röd
Höger högtalare
Violett
Höger högtalare
Violett/Svart
+
_
* Använd alltid den medföljande
förlängningssladden. Kapa eller modifiera
inte denna sladd eftersom det kan orsaka
skada eller funktionsfel.
Anslutningar med ”Scotch-lock”
Tryck tills de är ordentligt
säkrade
Sladden måste
ha en diameter på2-2,7 mm.
Om inte, sök hjälp hos
din Alpine-återförsäljare.
Sladdtyp Ytterligare information
Fjärrpåslagningssladd
Jordkabel
Batteriströmsladd
Anslut till fjärrpåslagningssladden på huvudenheten.
Om din huvudenhet inte har den här sladden, anslut till ACC-sladden
fordonet. Strömförsörjningssladd när nyckeln är i ACC-läget.
Anslut på ett säkert sätt till en blottad metalldel i bilchassit.
Anslut direkt till den positiva polen på bilbatteriet.
Obs
Den här produkten kan inte användas med bilar som utrustats med ett vanligt negativt
högtalarsystem.
Högtalarimpedansen måste vara 3,2 ~ 8 ohm.
Förhindra att störningar som härrör från omgivningen påverkar ljudsystemet:
Placera enheten på plats och dra kablarna på minst 10 cm avstånd från bilens kabelnät.
Observera att kablarnas avstånd till batterikablarna måste vara så långt som möjligt.
Anslut jordledningen ett säkert sätt till en blottad metalldel i bilchassit (vid behov måste
metallytan befrias från bestrykningen).
När anläggningen utökas med en störningsdämpare, måste avståndet till störningsdämparen
vara så långt som möjligt. Kontakta Alpines representant angående de olika typer av
störningsdämpare som Alpine kan erbjuda.
Alpines representant vet allt om störningsundertryckning. Kontakta representanten angående
detaljer.
SE
53