EasyManua.ls Logo

Alpine TMX-R2000 - Front Passenger Key Board Schematics

Alpine TMX-R2000
103 pages
Print Icon
To Next Page IconTo Next Page
To Next Page IconTo Next Page
To Previous Page IconTo Previous Page
To Previous Page IconTo Previous Page
Loading...
5
5
4
4
3
3
2
2
1
1
D D
C C
B B
A A
AV MUTE
Backlight
PLAY/PAUSE
Backlight
FM ON/OFF Backlight
0V
0.21V
FM ON/OFF
PLAY/PAUSE
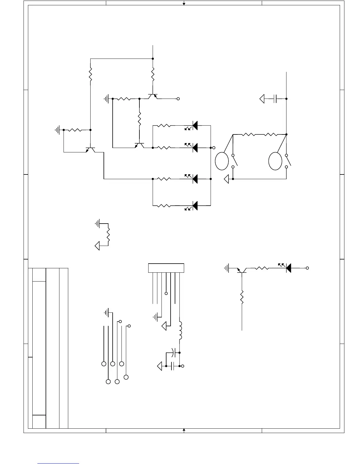
3-1 FRONTPASSENGERKEY
V0.8 EN2
FRONTPASSENGERKEY BOARD
A
11Friday, July 07, 2006
Title
Size Document Number Rev
Date: Sheet
of
LED3
FM_ONOFF
FM_ONOFF
ADC_KEY2
LED3
ADC_KEY2
LED3
FM_ONOFF
ADC_KEY2
5V
MCU3.3V
5V
MCU3.3V
5V
5V
MCU3.3V
D2
LED-Y
TP5
1
SW1
SW-6*6*4.3
1 2
R20 0R 0805
˄˅
R6
0
Q1
2N3904
1
2 3
TP4
1
J1
CON7/1.25MM
1
2
3
4
5
6
7
TP2
1
C1
0.01uF
Q4
2N3904
1
2 3
R5
330
R11 10K
D3
LED-B
Q2
2N3906
Q3
2N3904
1
2 3
D1
LED-B
R13 10K
TP6
1
SW2
SW-6*6*4.3
1 2
R12
10K
R14
10K
TP3
1
EC1
10uF/16V
L1FB
TP1
1
R3
10K
R4 1K
R8 1K
C2
0.1uF
D4
LED_Y
D5
LED_B
R1
330R
R2
330R
R9
330
R10
330
ˋ

Related product manuals