EasyManua.ls Logo

Alpine TMX-R2000 - FM Switch Board Schematics

Alpine TMX-R2000
103 pages
Print Icon
To Next Page IconTo Next Page
To Next Page IconTo Next Page
To Previous Page IconTo Previous Page
To Previous Page IconTo Previous Page
Loading...
5
5
4
4
3
3
2
2
1
1
D D
C C
B B
A A
FROM OHM
TO CAR RADIO
FROM ANT
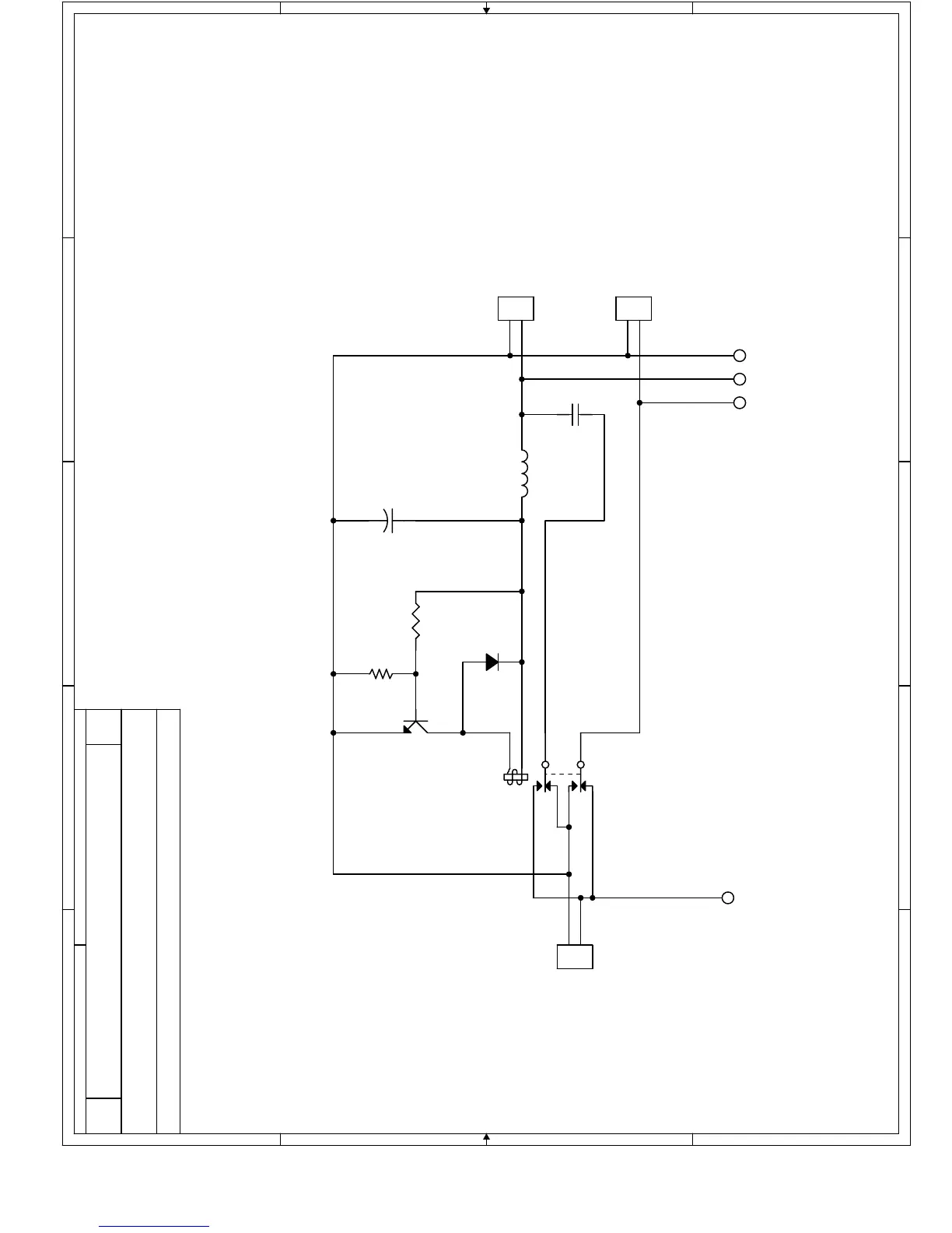
5-1 FM BOX
V0.8 EN2
FM SWITCH BOARD
A
11Thursday, July 06, 2006
Title
Size Document Number Rev
Date: Sheet
of
TP4
1
K1
RELAY DPDT
3
4
5
6
8
7
1
2
J3
CON2/1.25MM
1
2
Q1
2N3904
1
2 3
TP3
1
TP2
1
C1
0.01uF
+
EC1
100uF/16V
R2
2.7k
J2
CON2/1.25MM
1
2
R1 4.7K
L1 100uH/100mA
J1
CON2/1.25MM
1
2
TP1
1
D1
1N4148/SMD
ˋ

Related product manuals