EasyManua.ls Logo

Alpine X009 - Page 140

Alpine X009
248 pages
Print Icon
To Next Page IconTo Next Page
To Next Page IconTo Next Page
To Previous Page IconTo Previous Page
To Previous Page IconTo Previous Page
Loading...
117-EN
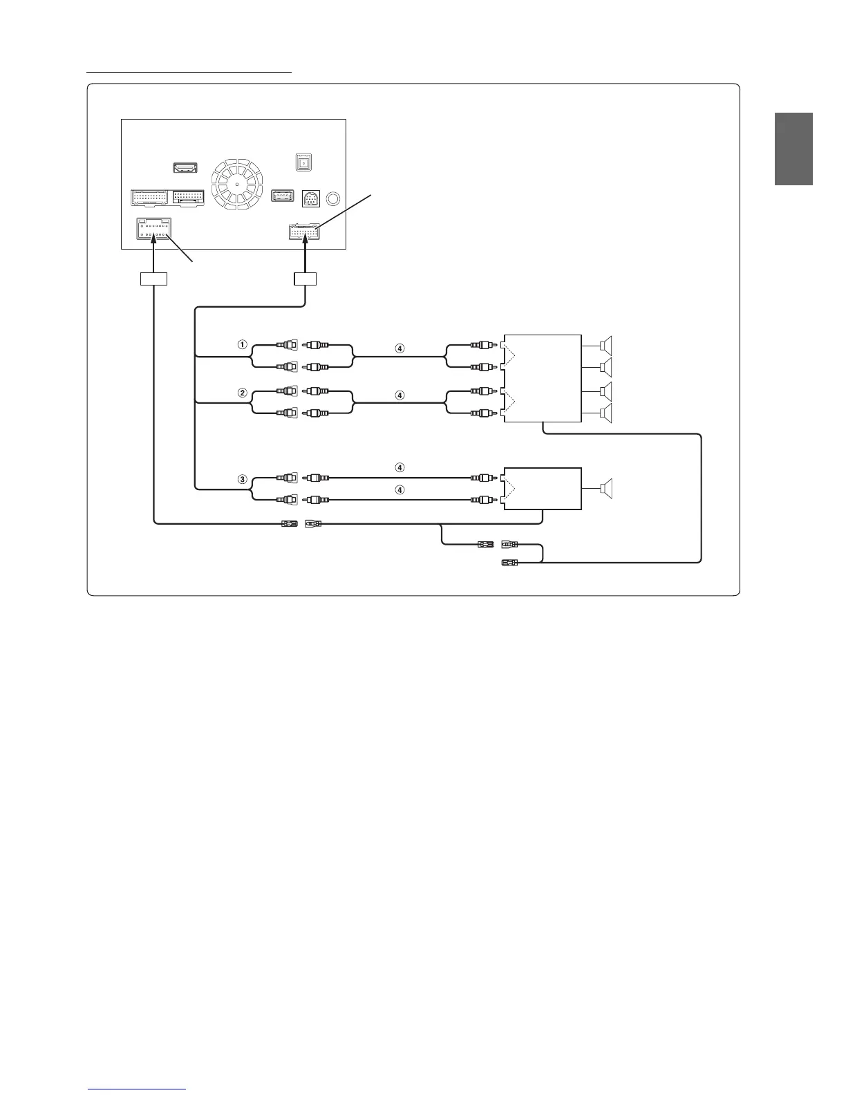
Connection of an External Amplifier
1 Front Output RCA Connectors
RED is right and WHITE is left.
2 Rear Output RCA Connectors
RED is right and WHITE is left.
3 Subwoofer RCA Connector
4 RCA Extension Cable (sold separately)
AUX/PRE OUT Connector
Power Supply Connector
(Red)
(White)
Amplifier 4 ch (sold separately)
Input
Input
Front speaker
Rear speaker
REMOTE TURN-ON
(Blue/White)
Amplifier for subwoofer (sold separately)
Input
Subwoofer
(Red)
(White)
REMOTE ON
(Blue/White)
REMOTE ON
(Blue/White)
(Red)
(White)

Table of Contents

Related product manuals