EasyManua.ls Logo

Alpine X009E - Connections

Alpine X009E
212 pages
Print Icon
To Next Page IconTo Next Page
To Next Page IconTo Next Page
To Previous Page IconTo Previous Page
To Previous Page IconTo Previous Page
Loading...
92-EN
01GB07X009E.fm
ALPINE X009E 68-24567Z66-A (EN)
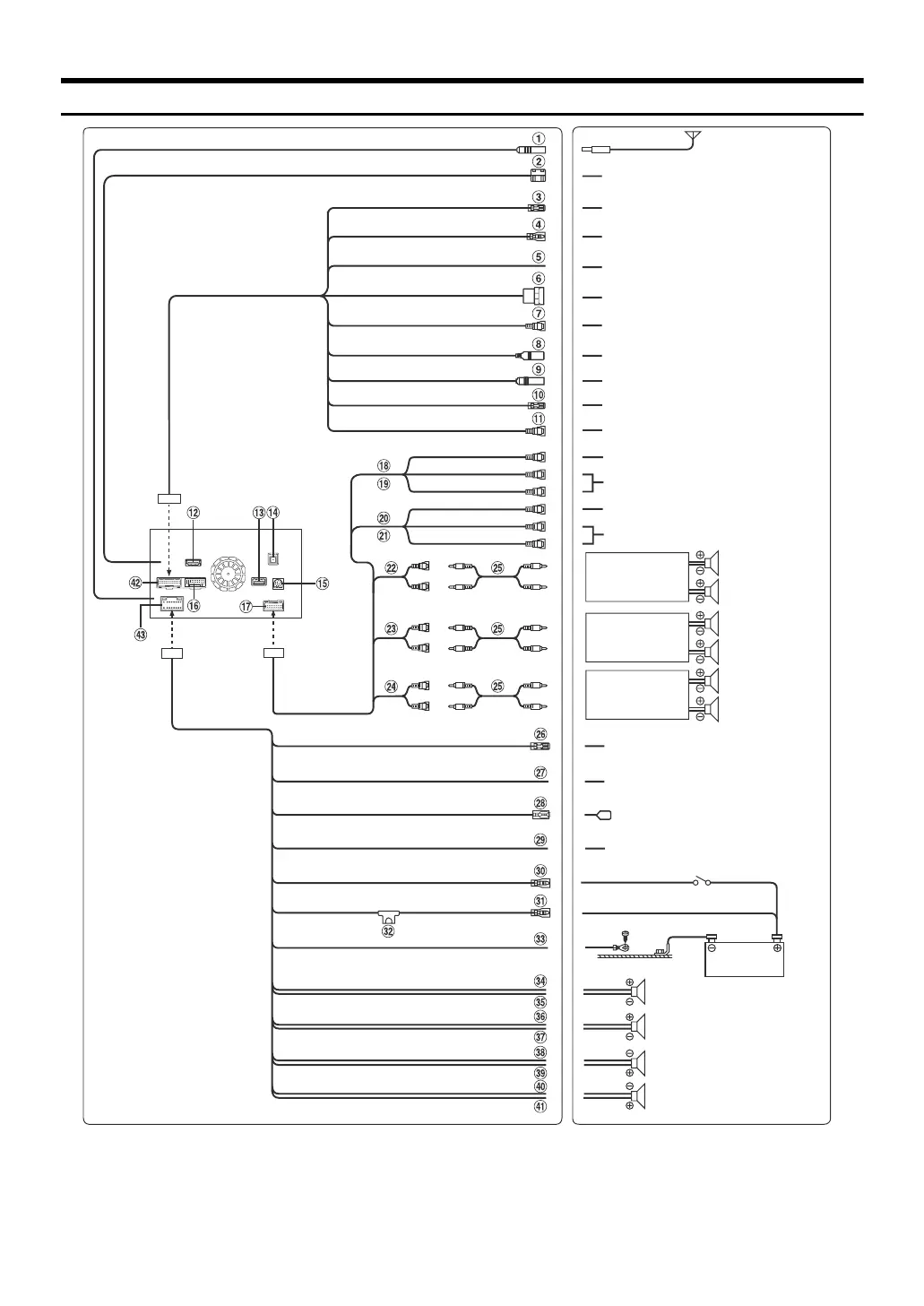
Connections
To remote input lead
(Brown)
(Blue/White)
(Blue)
(Yellow/Blue)
(Yellow)
(Black)
To amplifier or equalizer
Rear Left
REMOTE OUT
REMOTE IN
SPEED SENSOR
REMOTE TURN-ON
POWER ANT
PARKING BRAKE
BATTERY
GND
To external Audio Processor
(PXA-H800, etc.)
To power antenna
Battery
(Green/Black)
Ignition key
(Yellow)
(Red)
(White)
(Yellow)
(Red)
(White)
Amplifier
Amplifier
Amplifier
Rear Left
Rear Right
Front Left
Front Right
Subwoofers
To remote output lead
To Audio Input terminals
(R, L)
To Audio Output terminals
(R, L)
To Video Input terminal
To Video Output terminal
CAMERA1
CAMERA2
To the vehicle speed pulse line
To Front/Rear camera
(Green)
Front Left
Front Right
Rear Right
(White/Black)
(White)
(Grey)
(Grey/Black)
(Violet)
(Violet/Black)
Speakers
Antenna
To plus side of the back
lamp signal lead of the car
(Orange/White)
REVERSE
To Rear/Other camera
MIX CONT
BEEP/NAVIRG
(Green/White)
To iPod/iPhone or AUX output
device
To steering remote control interface
box
IPOD VIDEO
STEERING REMOTE
(Brown)
(Green/White)
IGNITION
(Red)
To the parking brake
signal lead
To guide control input terminal
To Guide Input terminal
01GB00X009E.book Page 92 Friday, May 9, 2014 1:16 PM

Table of Contents

Other manuals for Alpine X009E

Related product manuals