EasyManua.ls Logo

Alpine X800D-V - Page 67

Alpine X800D-V
108 pages
Print Icon
To Next Page IconTo Next Page
To Next Page IconTo Next Page
To Previous Page IconTo Previous Page
To Previous Page IconTo Previous Page
Loading...
59
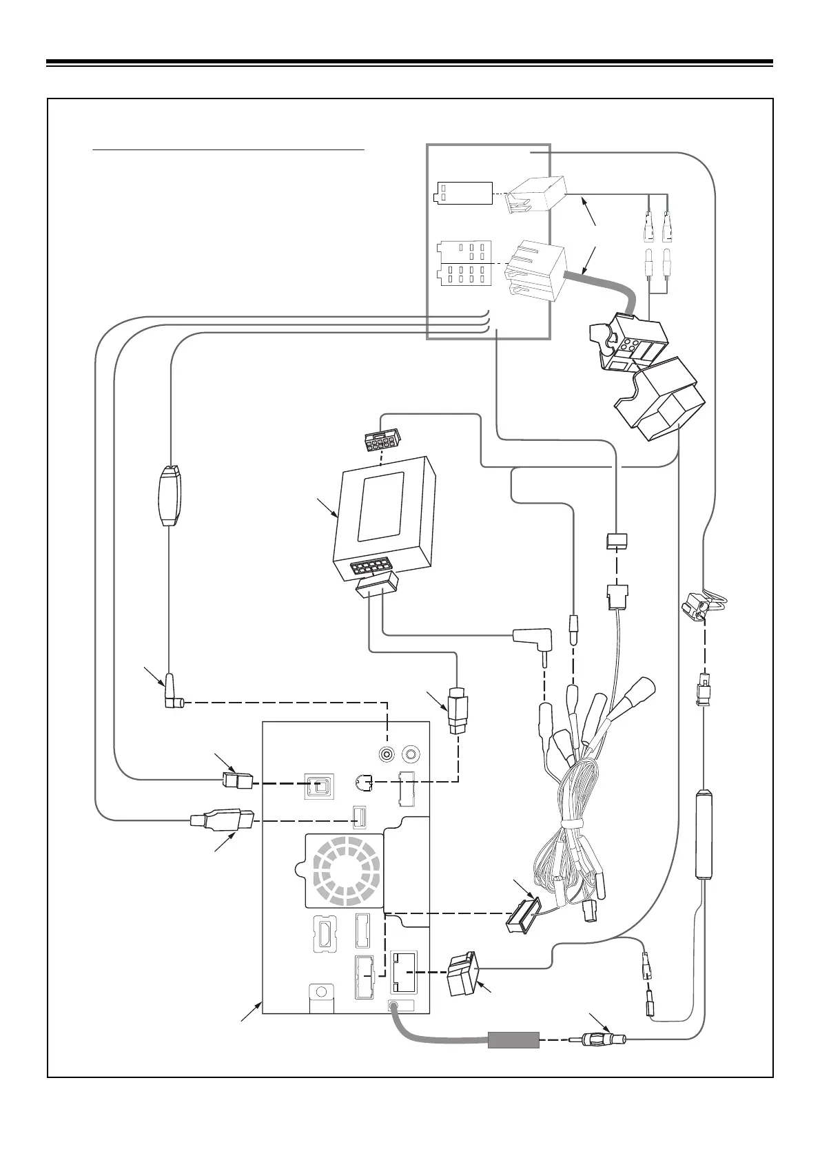
5
USB
GPS
DAB Antenna
Radio
Antenna
Steering Remote
Display
Camera 1
Speed Sensor
Blue Power Antenna
Power
Harness
2
3
6
7
8
9
0
Radio Dock
1
4
Interface
Box
5
Connect all plugs to X800D-V as shown
#
%$
@
9
!
^
0
@
CAN LOW
!
CAN HIGH

Related product manuals