EasyManua.ls Logo

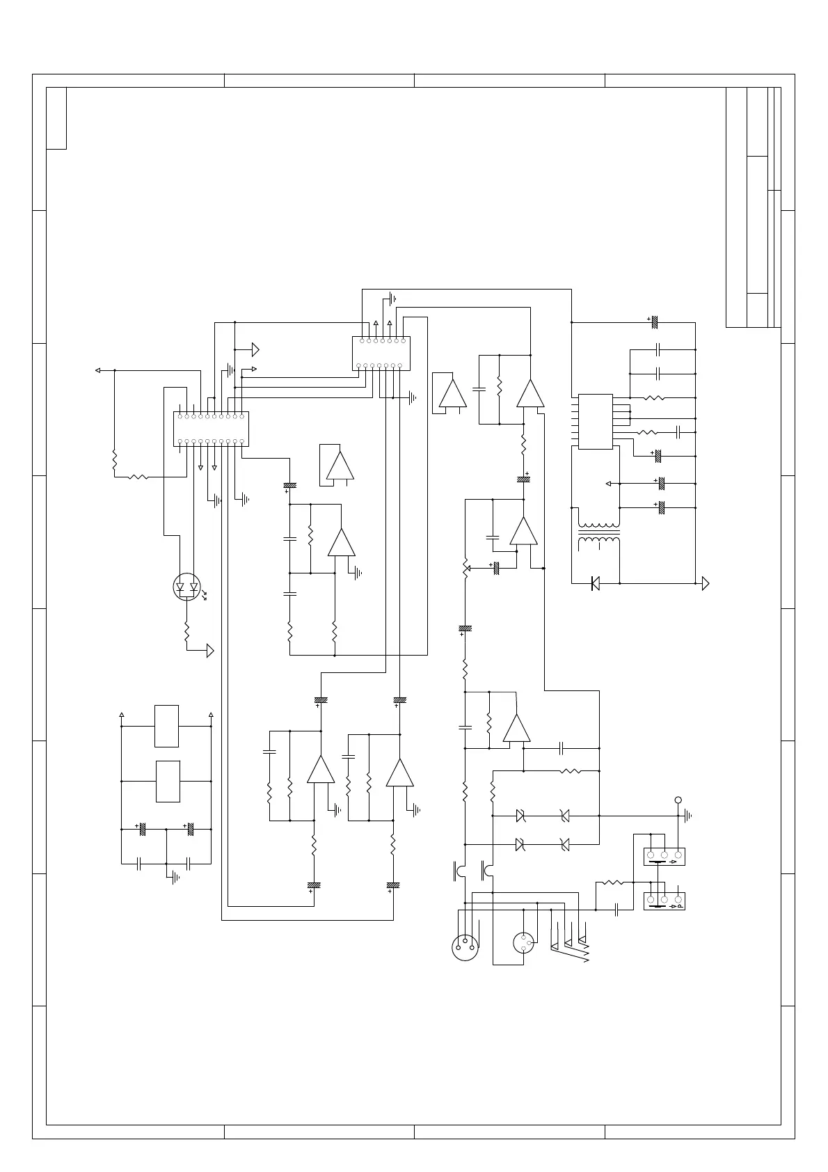
Alto SR400A - Schematic Diagram

Alto SR400A
26 pages
Print Icon
To Next Page IconTo Next Page
To Next Page IconTo Next Page
To Previous Page IconTo Previous Page
To Previous Page IconTo Previous Page
Loading...
1 2 3 4 5 6 7 8
A
B
C
D
87654321
D
C
B
A
2
1
3
4
MIC2
CN-BAL-MALE
ZD5
12V1W
ZD2
12V1W
ZD4
12V1W
ZD3
12V1W
R16
15K
R19
15K
R18
15K
R15
15K
R14
390E
1
2
3
+
_
IC3A
33079
7
6
5
+
_
IC3B
33079
8
9
10
+
_
IC3C
33079
14
13
12
+
_
IC3D
33079
C23
22P
C20
22P
C19
22P
C26
22P
C27
0.01uF/400V
R22
10E
1
2
3
SW2A
SW PS-22E85L
4
5
6
P
SW2B
SW PS-22E85L
GND
1
2
3
VR1
D50K
R17
4.7K
R21
820E
8
9
10
+
_
IC1C
33079
C16
0.0033u
R12
10K
R10
10K
7
6
5
+
_
IC1B
33079
C5
0.0033u
R7
10K
R2
10K
R11
6K8
R1
6K8
C21
47u/63V
C22
47u/63V
C2
47u/63V
C1
47u/63V
1 2
3 4
5 6
7 8
9 10
1112
1314
1516
1718
1920
CN2
CN-10PX2-180
1
2
3
4
5
6
7
8
9
10
11
12
13
14
CN1
CN-7PX2-F
C17
47u/63V
1
2
3
+
_
IC1A
33079
C7
22P
R4
10K
R5
10K
C6
0.0033u
R3
6K8
14
13
12
+
_
IC3D
33079
1
3
2
DL1
SIGN/LIMIT
R9
1K2
+15V
-15V
+5VD
+15V
-15V
NC
1
OUT
2
NC
3
GND
4
GND
5
NC
6
V+
7
NC
8
NC
9
FB
10
FC
11
GND
12
GND
13
OSC
14
SS
15
NC
16
IC2
L4962
C4
220u/63V
C9
330P
C12
0.0022u
R8
3K9
R6
15K
C8
0.033u
C13
2u2 100V
4
3
2
1
5
L1
TP-SEV1924-03
C25
470u/25V SLL*
C24
1000u/6V3
+5VD
D1
BYV27
R13
330E
11 4
IC1E
33079
11 4
IC3E
33079
C14
470u/25V SLL
C10
470u/25V SLL
C15
0.1u
C11
0.1u
+15V
-15V
CLIP
SIGNAL
R
G
X1X2
X3
1
2
3
4
5
6
MIC1
XLR
+5VA
HIGH
LOW
FROM INPUT TO 313115-1 DSP BOARD
HIGH INPUT
+4dB
L2
FL5R
L3
FL5R
C28
10u/63V
C18
10u/63V
C29
10u/63V
SW1
0E
Title
Size:
A3
Number
Date:
File:
Sheet of:
Drawn By:
Revision
SR400A
P-110018-SR400A
2004/08/27
SR300A
1/1
MO GUO ZHU
VER1.0
TO 313120-1 AMP PCB
1
03-1

Related product manuals