EasyManua.ls Logo

Alto SR400A - Page 8

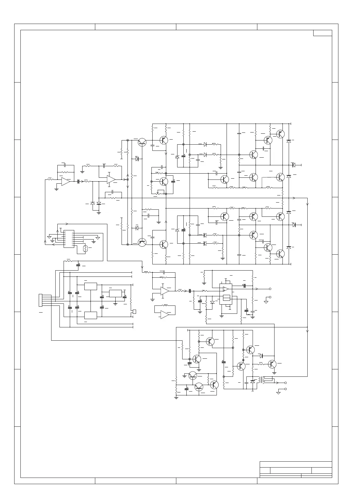
Alto SR400A
26 pages
Print Icon
To Next Page IconTo Next Page
To Next Page IconTo Next Page
To Previous Page IconTo Previous Page
To Previous Page IconTo Previous Page
Loading...
1 2 3 4
A
B
C
D
E
F
G
H
4321
H
G
F
E
D
C
B
A
R27
390E
R33
1K
R59
68K
R39
4K7
R40
12K
R31
470E
R23
820E R24
68E
R22
12K
R21
8K2
R52
8K2
R51
47E
R53
47K
R17
2K2
R55
1K
R32
12K
R18
470E
R20
12K
R9
560E
R10
1K5
R56
8K2
R58
47E
R66
8K2
R57
12K
R28
68E
R25
820E
R44
68K
R29
12K
R46
4K7
R42
390E
R16
470E
R43
2K2
R59
47K
C17
220P
C24
470P
C21
470P
C23
0.0047U
C15
100P
C1
0.001U
C25
0.0047
C14
100P
TR9
NJE350
TR13
MJE350
TR7
MJE340
TR5
MJE340
TR12
2N5401
TR10
2N5551
D11
1N4002
TR1
MJE802
R34
8K2 2W
D10
7V5 1W
D14
7V5 1W
C18
220U/25V
D13
1N4002
D25
1N4002
D17
1N4002
D12
1N4002
VR1 470E
C25
10/50V
TR21
MJE340
TR15
NJE15031
TR8
TIP36C
TR4
MJE15030
TR2
2SC5200
R17
10E
R19
4E7
D24
1N4002
D4
1N4002
D14
6A2
C16
0.1U
TR19
MJE350
TR6
MJE15031
TR20
MJE15030
TR3
2SA1943
TR14
TIP35C
D5
1N4002
D3
6A2
R60
47K
R64
4K7
R63
10K
R8
47K
D17
1N4148
TR23
BC847
TR24
BC847
TR22
BC847
TR25
BC857
TR18
BC857
TR11
BC32725
TR17
BC857
C28
1000U/6V3
C23
220U/50V
R48
330E
R35
10K
R49
33K
R47
10K
R61
10K
R62
10K
R37
470E
R36
10K
R46
150K
C22
1U/50V
C7
0.1U
C13
0.0047U
R41
8K2 2W
C20220U 25V
R15
0E2 5W
R13
0E2 5W
C10
220P
D5
1N4148
D7
1N4148
R14
10E
R26
4E7
C27
0.0047U
7
6
5
+
_ IC6B
MC33078
1
2
3
48
+
_
IC6A
MC33078
1
2
3
48
+
_
IC5A
MC33078
7
6
5
+
_ IC5B
MC33078
R78
15K
R77
22K
R80
1K
R76
1K
R75
47K
R74
100K
R71
15K
R70
47K
R73
10E
R11
10K
DL2
47P
C35
33P
C31
4N7
C3
22UF/50V
C4
10UF/50V
C6
10UF/50V
D27
4148
D26
4148
DL1 47P
MUTE
ST-BY
1
2
3
4
5
6
78
9
10
11
12
13
14
15
IC1
TDA7294
R3
22K
R4
1K
R21
10K
R32
33K
R12
22K
R1
22K
R12
10E 0.5W
C5
0.1U
D1
4148
R2
680E
+VCC1
-VCC1
+VCC1
-VCC1
+VCC2
-VCC2
Vin
1
GND
Vout
IC3 7915
Vin
1
GND
2
Vout
3
IC4 7815
C11
10000/50V
C12
10000/50V
C36
10/25V
C37
10/25V
1
2
3
4
5
6
CN1
6P/P=3.96
C8
10000/63V
C9
10000/63V
Vin
1
GND
2
Vout
3
IC2 7805
C33
1000U 6.3V
R79
47E/5W
C32
2200U/63V
+VCC1
-VCC1
+VCC2
-VCC2
-15V
+5VA
+15V
-15V
+15V
-15V
+15V
-15V
D8
1N4148
TR16
BC857
R30
10K
-15V
R69
100E PTC
+15V
C39
330P
C40
330P
or NJL21184
or SIMILAR
or MJL21193
+15V
C36
10U NP
C2
1U 50V NP
TDA7294
1
2
3
4
5
6
7
8
9
10
11
12
13
14
CN2
CN-7PX2-F
+15V
RL1
OZ-SS-124LM1
DC 24V 16A
+5VA
-15V
S1
HIGH OUT +
S2
GND
S4
LOW OUT+
S3
GND
Hi SPEAKER
LOW SPEAKER
Title
Size:
A2
Number
Date:
File:
Sheet of:
Drawn By:
Revision
SR400A
P-313120-1-SR400A
2004/08/27
SR300A
1/1
MO GUO ZHU
VER1.0
1
FROM 110018 INPUT PCB
SOFT START
OFFSET PROTECTION
-7.7V
14.9V
8.84V
14.2V
9.4V
8.6V
0.2V
-0.5V
0.6V
20.2V
7.6V
24V
-24V-20.2V
-7.6V
-0.34V
-1.4V
+1.4V
D21
27.0K
1
2
DL2
TO POWER LED
03-3

Related product manuals