EasyManua.ls Logo

Alto SR500SA - Page 6

Alto SR500SA
23 pages
Print Icon
To Next Page IconTo Next Page
To Next Page IconTo Next Page
To Previous Page IconTo Previous Page
To Previous Page IconTo Previous Page
Loading...
1 2 3 4 5 6 7 8
A
B
C
D
87654321
D
C
B
A
R38
390E
R44
1K
R49
68K
R50
4K7
R51
12K
R42
470E
R34
820E R35
68E
R33
12K
R32
8K2
R63
8K2
R62
47E
R64
47K
R65
2K2
R66
1K
R43
12K
R29
470E
R31
12K
R22
560E
R23
1K5
R67
8K2
R69
47E
R77
8K2
R76
12K
R39
68E
R36
820E
R55
68K
R40
12K
R56
4K7
R53
390E
R27
470E
R54
2K2
R68
47K
C24
0.0047U
C31
470P
C28
470P
C33
0.0018U
C22
100P
C13
0.001U
C32
0.0018U
C21
100P
TR11
NJE350
TR15
MJE350
TR10
MJE340
TR7
MJE340
TR12
2N5401
TR12
2N5551
D16
1N4002
TR1
MJE802
R45
12K 2W
D15
10 1W
D19
10V 1W
C25
220U/25V
D18
1N4002
D29
1N4002
D30
1N4002
D17
1N4002
VR1 500E
C14
10/50V
TR25
MJE340
TR19
NJE15031
TR9
TIP36C
TR6
MJE15030
TR4
2SC5200
R29
10E
R30
4E7
D28
1N4002
D7
1N4002
D8
6A2
C23
0.1U
TR23
MJE350
TR8
MJE15031
TR24
MJE15030
TR5
2SA1943
TR18
TIP35C
D13
1N4002
D9
6A2
R70
47K
R74
4K7
R73
10K
R21
47K
D14
1N4148
TR21
BC847
TR26
BC847
TR20
BC847
TR27
BC857
TR22
BC857
TR13
BC32725
TR17
BC857
C34
1000U/6V3
C30
220U/50V
R59
330E
R46
10K
R60
33K
R58
10K
R71
10K
R72
10K
R48
470E
R47
10K
R57
150K
C29
1U/50V C26
0.1U
C20
0.0047U
R52
12K2W
C27
220U 25V
R26
0E2 5W
R24
0E2 5W
C17
0.0047U
D12
1N4148
D10
1N4148
R25
10E
R37
4E7
C35
0.0047U
7
6
5
+
_
IC7B
MC33078
1
2
3
48
+
_
IC7A
MC33078
R94
10K
R93
22K
R98
1K
R92
1K
R90
100K
DL2
100P
C40
100P
D33
4148
D32
4148
+VCC1
-VCC1
+VCC2
-VCC2
Vin
1
GND
2
Vout
3
IC5
7815
C43
10/25V
C42
10/25V
C15
10000/80V
C16
10000/80V
Vin
1
GND
2
Vout
3
IC3 7805
C37
1000U 6.3V
R79
47E/5W
C38
2200U/63V
+VCC1
-VCC1
+VCC2
-VCC2
-15V
+5VA
+15V
-15V
+15V
-15V
-15V
R78
100E PTC
+15V
or NJL21184
or SIMILAR
or MJL21193
+15V
C45
10U NP
1
2
3
4
5
6
7
8
9
10
11
12
13
14
CN1
CN-7PX2-F
+15V
RL1
OZ-SS-124LM1
DC 24V 16A
+5VA
-15V
S10
LOW OUT+
S9
GND
LOW SPEAKER
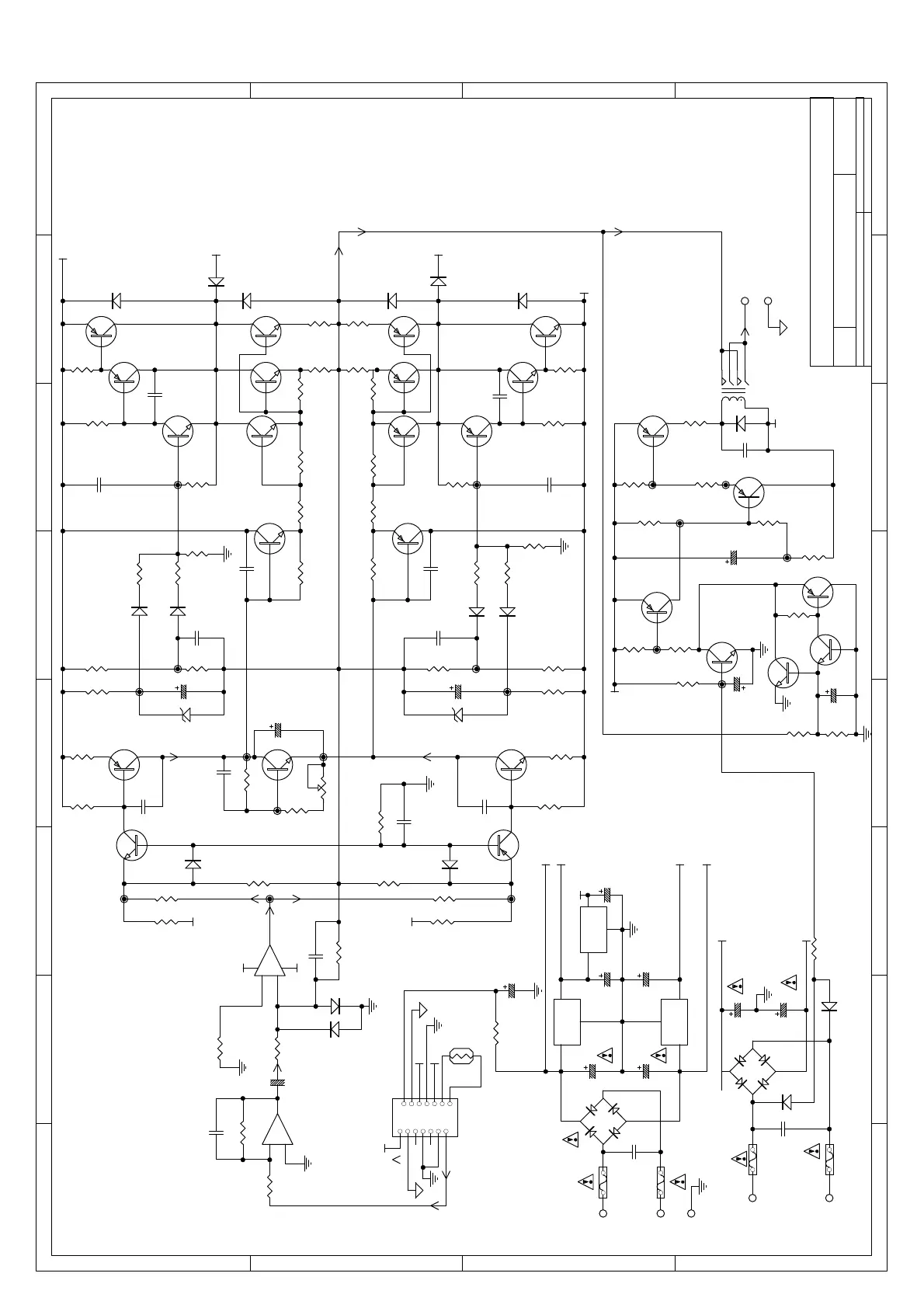
Title
Size:
A3
Number
Date:
File:
Sheet of:
Drawn By:
Revision
SR500SA
P-313122-SR500SA
2004/04/15
T5SA
1/1
VER1.1
FROM 313127 INPUT PCB
SOFT START
OFFSET PROTECTION
-8.3V
14.8V
11.1V
14.2V
11.6V
10.97V
0.1V
-0.56V
0.58V
27.5V
9.6V
32.1V
-32.4V-27.7V
-7.6V
-0.33V
-1.4V
+1.4V
F1
T8A
F1
T8A
F2
T8A
F2
T8A
D1
KBPC25
D5
KBU806
D3
1N4002
C11
0.01uF400V
C1
400V/10N
S5
S1
S3
S2
S4
BP25-06PWS
TR1
2SC5200
R19
0E2 5W
or NJL21184
TR2
2SA1943
or MJL21193
R20
0E2 5W
C18
10000U/50V
C19
10000U/50V
D4
4002
GND
1
Vin
2
Vout
3
IC4
7905
Lian Ming Tan
03-1