EasyManua.ls Logo

Amana PGD**C - Page 83

Amana PGD**C
85 pages
Print Icon
To Next Page IconTo Next Page
To Next Page IconTo Next Page
To Previous Page IconTo Previous Page
To Previous Page IconTo Previous Page
Loading...
83
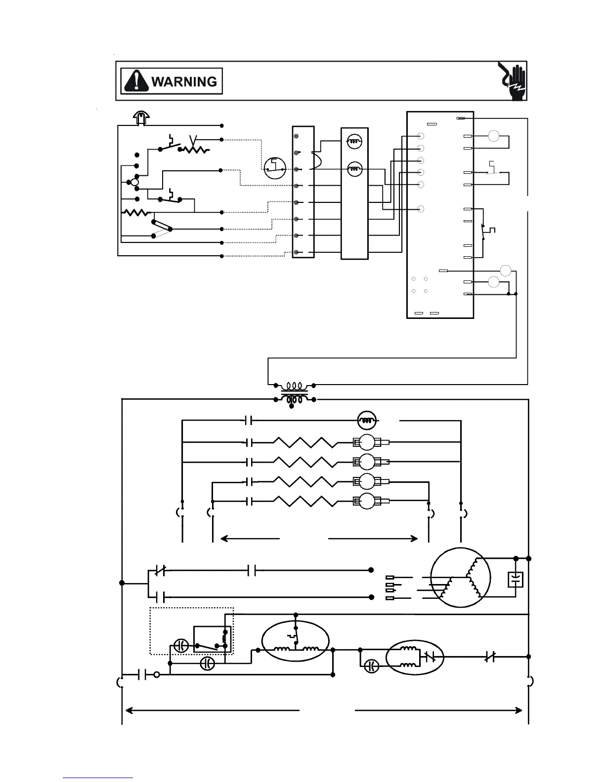
WIRING DIAGRAMS
HIGH VOLTAGE!
DISCONNECT ALL POWER BEFORE SERVICING OR INSTALLING THIS
UNIT. MULTIPLE POWER SOURCES MAY BE PRESENT. FAILURE TO
DO SO MAY CAUSE PROPERTY DAMAGE, PERSONAL INJURY OR DEATH.
208
OFF
HEAT
COOL
ON
R
Y
G
W2
AUTO
E
C
AUTO
1
2
5
S
R
C
COMP
START CAP
RUN CAP
START RELAY
FAN MOTOR
Fan Relay
on PC Board
Hard Start components not used on all models.
CC
T1
L1
L2
HI
MED HI
LO
CAP
ACB
M LO
CB
CB
O
COOLING
RELAY
ELECTRIC
HEAT
RELAY
OL
CB
CB
CB
CB
208/230-60-1
C
C
D
T
R
S
DEFROST
CONTROL
A
B
B
A
T
E
S
T
6
0
9
0
3
0
Y
C
O
M
P
S
2
P
S
1
D
F
O
U
T
O
F
A
N
C
G
Y
R
W
O
G
R
F
U
S
E
COOLING
RELAY
208/230-60-1
P
S
HEATER
SEQ 1
W2
W
R
Y
G
C
O
W1
PHB/PHD using ATK to control
"W2" thermostat input.
A
T
K
SEQ 2
Pressure Switches not
used on all models.
HE 4
SEQ 2
OL
SEQ 2
HE 3
HE 1
SEQ 1
SEQ 1
SEQ 1
HE 2
OL
OL
ELECTRIC
HEAT
RELAY
1
2
3
4
5
6
7
8
9
10
11
12
13
14
15
16
17
18
19
20
21
22
23
24
25
26
27
28
29
30
31
32
33
34
35
36
33
19 - 21
34
28
12
10
19
28
23, 24
PHB/PHD with ATK Controlling 2nd Stage Thermostat Input

Table of Contents

Other manuals for Amana PGD**C

Related product manuals