EasyManua.ls Logo

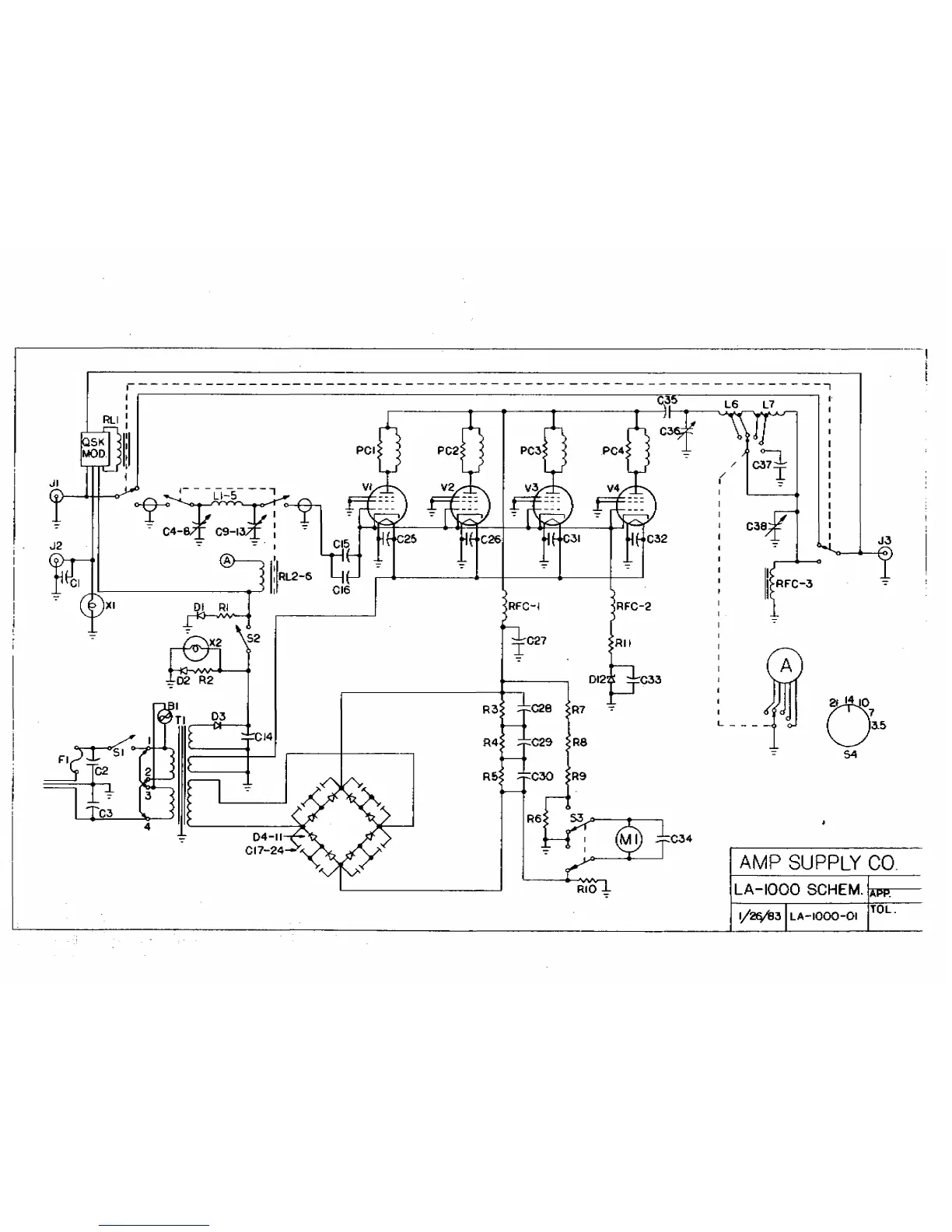
Amp Supply LA-1000 - Schematic Diagram; LA-1000 Electrical Schematics

Default Icon
9 pages
Print Icon
To Previous Page IconTo Previous Page
To Previous Page IconTo Previous Page
Loading...

Related product manuals