EasyManua.ls Logo

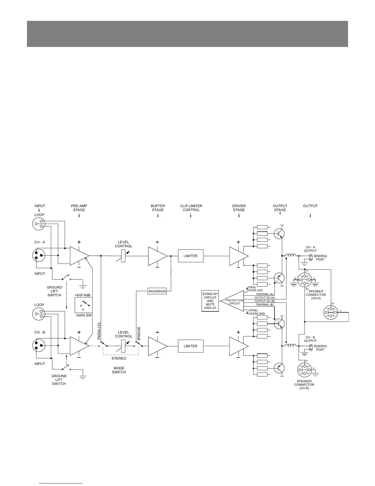
Ampro XA1000 - Maintenance; Fan Cleaning and System Block Diagram

Ampro XA1000
12 pages
Print Icon
To Next Page IconTo Next Page
To Next Page IconTo Next Page
To Previous Page IconTo Previous Page
To Previous Page IconTo Previous Page
Loading...
PAGE 10 XA1000 & XA1400 INSTALLATION AND OPERATION MANUAL
MAINTENANCE
Only competent or qualifi ed persons should attempt any service or maintenance
of your amplifi er. Your XA Series amplifi er will need minimal maintenance.
No internal adjustments need to be made to the unit to maintain optimum
performance. To provide years of unhindered operation we suggest a
maintenance inspection be carried out on a regular basis, say every 12 months
or so.
Fans
Due to the openness of the air path through your XA Series amplifi er, very little
dust should settle within the amplifi er. The unit has been designed so that any
dust and/or foreign particles that do settle within the amplifi er will not unduly
hinder the cooling of the amplifi er.
The grille in front of the fans will act to limit the amount of dust and lint
entering the amplifi er. You will fi nd in time that there will be a build up of dust
and lint on the grille which may start to hinder the airfl ow through the amplifi er.
You should periodically remove the dust and keep the grille clean. Removal of
dust from the rear grille will also aid cooling.
Over time, dust may build up on the leading edge of the fan blades and reduce
their cooling effi ciency. The time taken for this to happen will depend on the
environment and the amount of use.
The fan blades are accessible once the lids are removed and can be easily
cleaned. You need only hold the fan rotor still and wipe the dust off the blades.
Many users stall the fan and use compressed air to blow the dust off the fan
blades. It is important to note that the fan blades must be held still whilst
blowing air over the blades otherwise you may burn out the bearings in the fan.
SPEAKER
CONNECTOR
(BRIDGE)

Related product manuals