EasyManua.ls Logo

Ancona Elite - Page 19

Ancona Elite
20 pages
Print Icon
To Next Page IconTo Next Page
To Next Page IconTo Next Page
To Previous Page IconTo Previous Page
To Previous Page IconTo Previous Page
Loading...
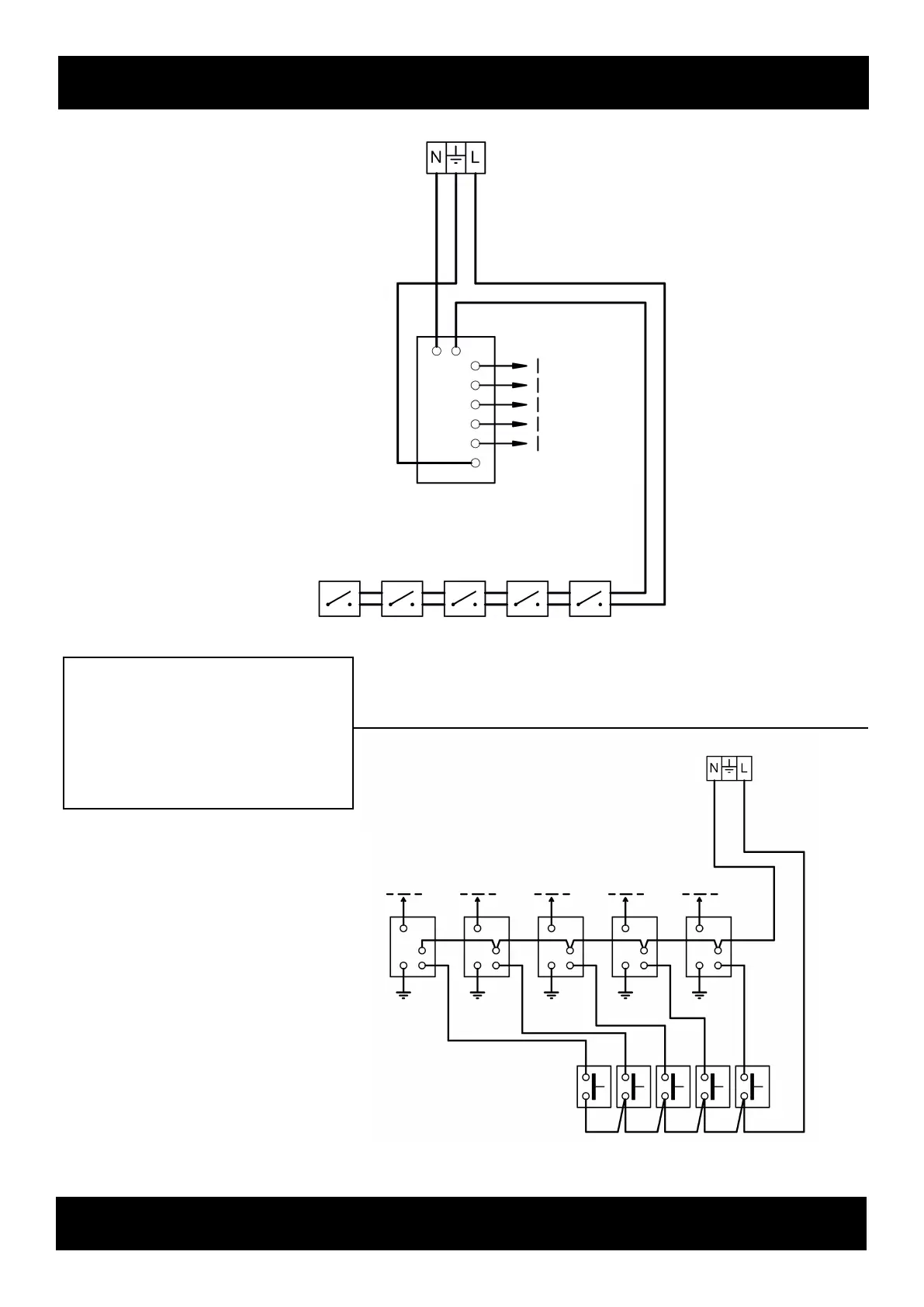
WIRING DIAGRAM IGNITION AS
fig. 6.2
4
3
2
1
1 - Terminal block
2 - Ignition switches group
3 - Ignition generation
4 - Igniter
5 - Ignition and reigniter generation
6 - Ignition swithes
WIRING DIAGRAM IGNITION AND REIGNITER
4
5
6
1
fig. 6.3
18

Related product manuals