EasyManua.ls Logo

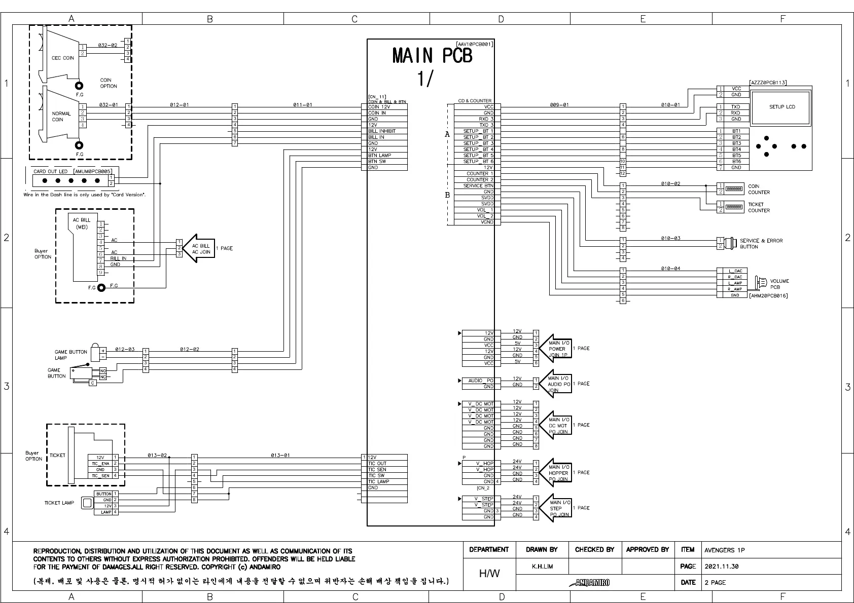
Andamiro AVENGERS - PCB Connector Locations; Main PCB Wiring Diagrams (1;4)

Andamiro AVENGERS
63 pages
Print Icon
To Next Page IconTo Next Page
To Next Page IconTo Next Page
To Previous Page IconTo Previous Page
To Previous Page IconTo Previous Page
Loading...
H/W
(, , .)
H/W
(, , .)
4
4
2
1
3
4
2
1
3
4
2
1
3
B
2
1
6
4
2
5
1
3
4
2
1
3
2
1
2
1
2
1
2
1
8
6
4
2
5
7
1
3
6
4
2
5
7
1
3
A
4
2
1
3
4
2
1
3
8
6
4
2
5
7
1
3
6
4
2
5
1
3
11
9
7
5
3
1
10
12
8
6
4
2
8
6
4
2
5
7
1
3
4
2
1
3
4
2
1
3
2
1
3
MAIN PCB
MAIN PCBMAIN PCB
MAIN PCB
3
1
4
2
12V
9
7
5
3
1
8
6
4
2
2
1
3
2
1
4
2
1
3
[CN_26]
HOPPERPOWER
4
2
1
3
[CN_27]
STEPPOWER
8
6
4
2
7
1
3
5
[CN_22]
TICKET
6
4
2
5
1
3
[CN_24]
MAINPOWER
2
1
AUDIOPOWER
[CN_28]
11
9
7
5
3
1
10
8
6
4
2
8
6
4
2
7
9
1
3
5
10
[CN_4]
SETUPLCD&COUNTER
1/4
1/41/4
1/4
8
6
4
2
7
9
1
3
5
10
8
6
4
2
5
7
1
3
[CN_25]
DCMOTPOWER
4
2
5
3
1
7
5
3
1
3
1
2
6
4
2
2
1

Related product manuals