EasyManua.ls Logo

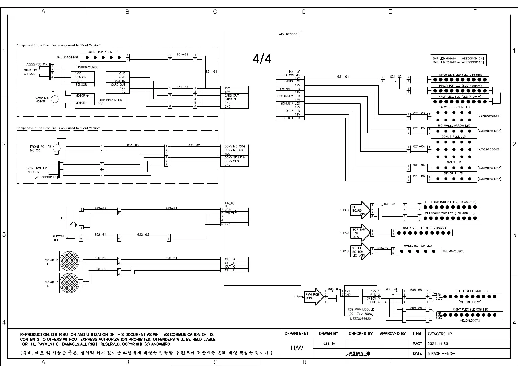
Andamiro AVENGERS - PCB Connector Locations; Main PCB Wiring Diagrams (4;4)

Andamiro AVENGERS
63 pages
Print Icon
To Next Page IconTo Next Page
To Next Page IconTo Next Page
To Previous Page IconTo Previous Page
To Previous Page IconTo Previous Page
Loading...
H/W
(, , .)
H/W
(, , .)
2
1
2
1
2
1
2
1
2
1
2
1
2
1
4
2
1
3
2
1
2
1
2
1
2
1
2
1
2
1
2
1
2
1
2
1
4
2
1
3
2
1
2
1
2
1
3
1
4
2
2
1
6
4
2
5
1
3
6
4
2
5
1
3
6
4
2
5
1
3
2
1
2
1
4
2
1
3
5
[CN_13]
TILT
4/4
4/44/4
4/4
2
1
4
2
1
3
4
2
1
3
4
2
1
3
2
1
2
1
2
14
2
1
3
2
1
2
1
2
1
2
1
2
1
2
1
2
1
2
1
2
1
2
1
3
1
4
2
1
2
6
4
2
5
1
3
4
2
1
3
[CN_31]
SPEAKER
6
4
2
1
3
5
[CN_5]
CONVEYER
MAIN PCB
MAIN PCBMAIN PCB
MAIN PCB
6
4
2
1
3
5
[CN_21]
CARD
11
9
7
5
3
1
10
12
8
6
4
2
4
2
1
3
4
2
1
3
2
1
2
1
2
1
3
4
2
1
3

Related product manuals