EasyManua.ls Logo

Aphex EXCITER - 2.2 SIMPLIFIED BLOCK DIAGRAM

Aphex EXCITER
24 pages
Print Icon
To Next Page IconTo Next Page
To Next Page IconTo Next Page
To Previous Page IconTo Previous Page
To Previous Page IconTo Previous Page
Loading...
Page 9
Owners Manual
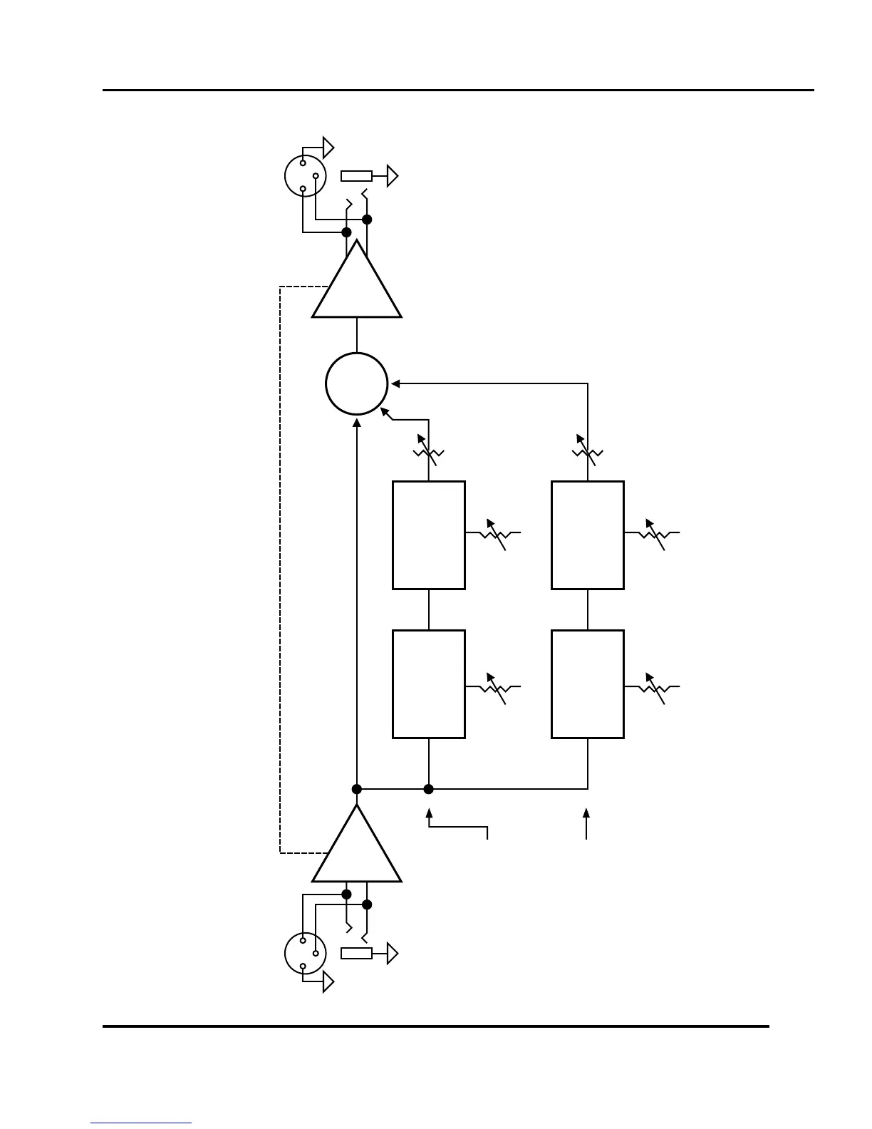
2.2 SIMPLIFIED BLOCK DIAGRAM
Active Balanced Inputs
XLR-3F
1/4” TRS
+4/-10 Operating Level Switch
Tunable
Highpass
Filter
Transient
Discriminate
Harmonics
Generator
Tunable
Lowpass
Filter
Phase &
Dynamics
Processor
Variable
Harmonics
Tune
800Hz-6kHz
Mix
Mix
SUM
Active Balanced Outputs
XLR-3M
1/4” TRS
Variable
Drive
Tune
50Hz-190Hz
Aural Exciter Sidechain
Big Bottom Sidechain
Effects are created through dynamic phase, frequency, and amplitude modification and recombination.
Introduction

Related product manuals