EasyManua.ls Logo

APLICOM A11 - Page 8

APLICOM A11
10 pages
Print Icon
To Next Page IconTo Next Page
To Next Page IconTo Next Page
To Previous Page IconTo Previous Page
To Previous Page IconTo Previous Page
Loading...
8
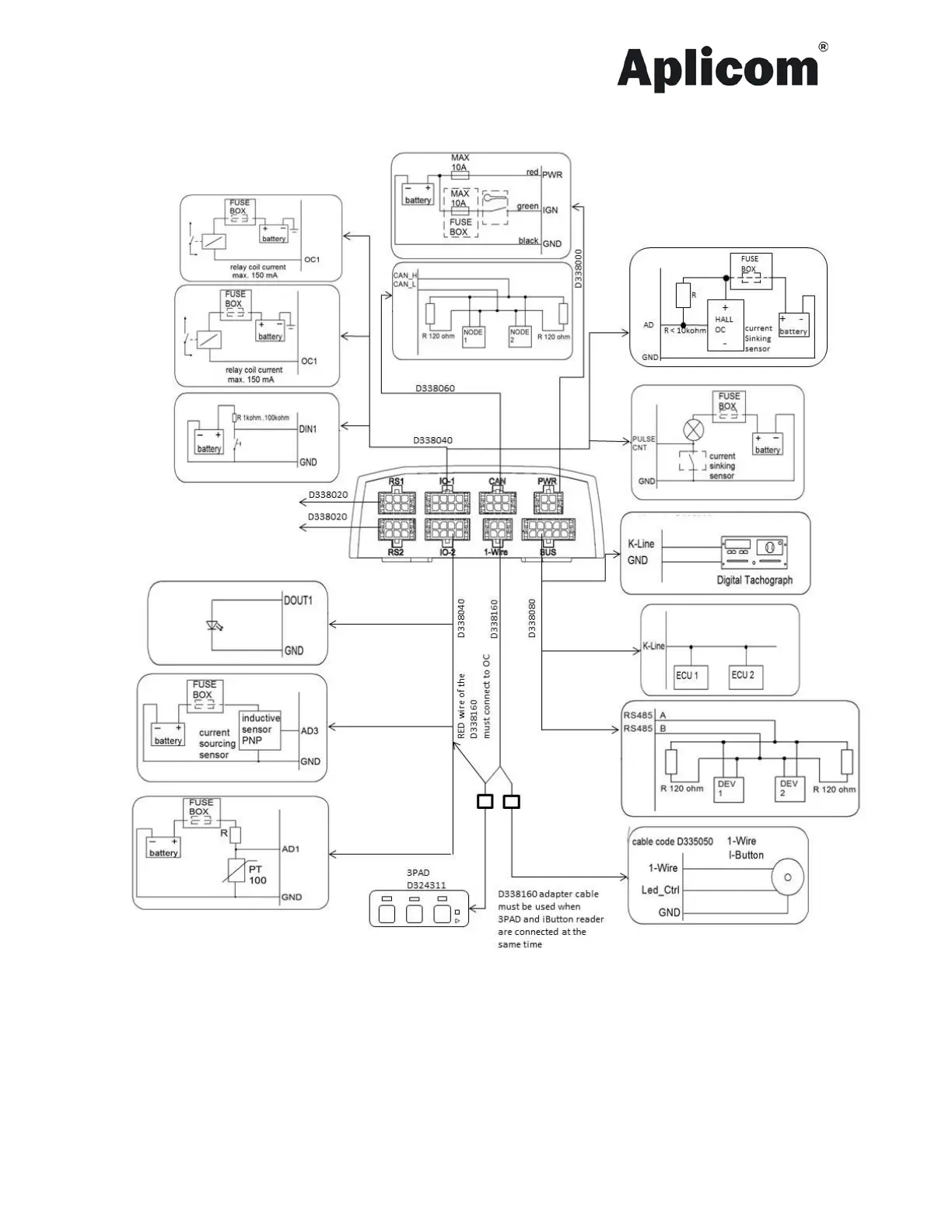
NOTE! This connection guide contains only example connections, not exact application specific connection.
Figure 8. Signal connection guide