EasyManua.ls Logo

Apollo Seiko BRC-2000 - Wiring Diagram

Default Icon
12 pages
Print Icon
To Next Page IconTo Next Page
To Next Page IconTo Next Page
To Previous Page IconTo Previous Page
To Previous Page IconTo Previous Page
Loading...
page 8 of 12
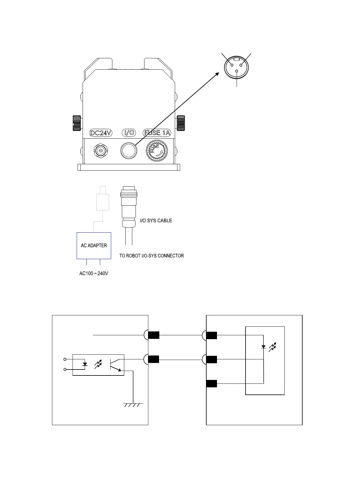
4. Wiring Diagram
A : SIG+
B : SIG-
C : TEST
A
C
B
I/O of Sequencer or Robot
BRC-2000 / 3000
DC24V
GND
SIG+
SIG-
TEST
SSR
Set the driving current of the internal SSR of SIG+ and SIG- to 100mA or less.