EasyManua.ls Logo

Apple Lisa - Page 76

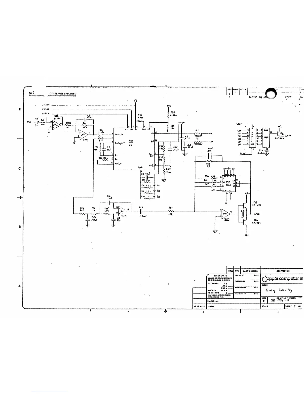
Apple Lisa
79 pages
Print Icon
To Next Page IconTo Next Page
To Next Page IconTo Next Page
To Previous Page IconTo Previous Page
To Previous Page IconTo Previous Page
Loading...
OTHER
wise
SPEClflf.P
&.11:.0(6.
o
....
(
UI
(,7
IU.
.tt.1
tll'D~
,
c
-y'
B
A
I
I
-----.
Ir:.~
----t
r-j
fl...J
9
1
,.
...
,
~~.~
~
H!
r---
't'"
<I.
-o-,.t---;;:;:O-LT,
I
!!---"'---11I::-\~r.OJ
-VI-"
A"''-lI~
l
1I".""..,r
I,
1-
;
r~
,oJ
v
.!
.....
~
uti
~..
II
0.'
t5~
Iho
.I'Jk
UI.
11
..
t4'l
7f"k
l\S"
.o.
~
,
..
: .
.,.
.Il.~
en
lOr..
VOl
!>~l(t
QI.
..
/:0
US-I
-Ih
'AItTNUM.fR
D£SCRlrf.OS
0...
, , n"-"
.~·,"':1r
lil
lOLERANCfS
("~pp.a
CO,
'l~--
.....ussO,
...
WIti(
WlC.I(O
..,,==~---
OP'
••
'''I'
'L..::-:.J:-.
__________
_
OtMI:HSIOH$AIIl
..
KUU
CIIIClIOa"
''''-£
UEelMAlS
.x:!
==1-:-.,:::,:::
...
;:;,7
'0
;;-;""-'"04.''''' I
XXX.
__
ANGUS
XX
X
--
1-==;;;;;;---.004.,,'"
I
FIlACHON$
--
~=::-.--.;a;.w.~'J:;ftlS'1'
'.;-,,".<;."",_
1-----
1
(JIMfHSM)«,
...
'AIttHlttSIS
.M(IHMlI
.....
TI.~
MA1UI~l.
"'Xl
Any.
..NI5I1

Related product manuals