EasyManua.ls Logo

Aqua-Base YC - Page 29

Aqua-Base YC
Print Icon
To Next Page IconTo Next Page
To Next Page IconTo Next Page
To Previous Page IconTo Previous Page
To Previous Page IconTo Previous Page
Loading...
AQUABASEYFR-GB -ES 01-2007 VERSION 01/07 FR/GB/ES Page 29/29
®
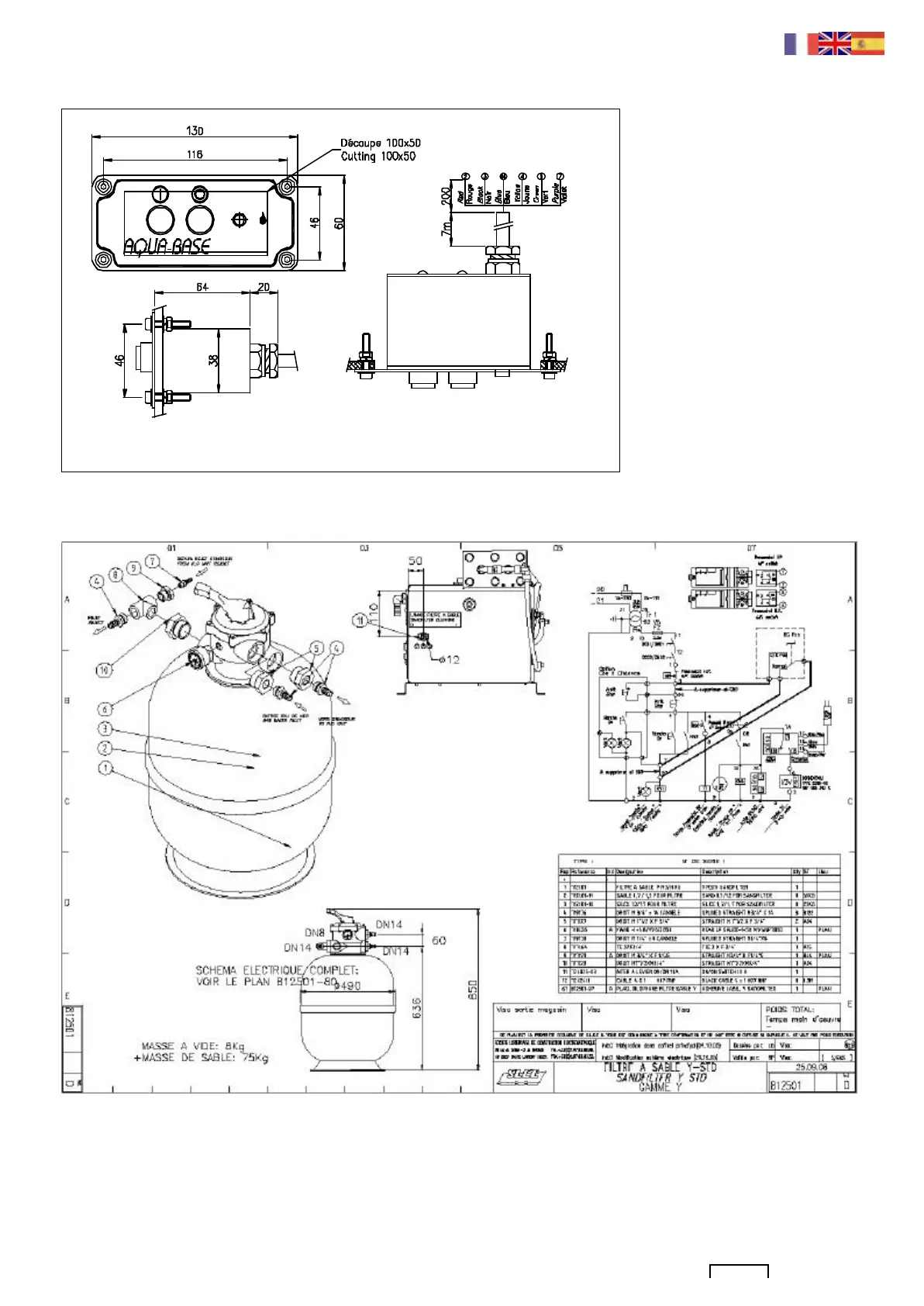
Fig. 6
Fig. 20

Related product manuals