EasyManua.ls Logo

Arbor Technology EmCORE-i2703 - Jumpers & Connectors Location

Default Icon
12 pages
Print Icon
To Next Page IconTo Next Page
To Next Page IconTo Next Page
To Previous Page IconTo Previous Page
To Previous Page IconTo Previous Page
Loading...
- 7 -
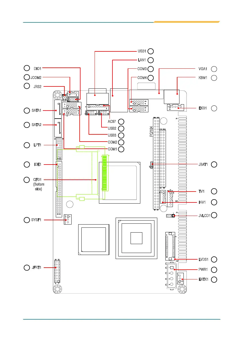
Jumpers & Connectors Location
1
1
1
2
3
4
1
2
29
30
1
1
1
2
9
9
9
10
10
9
10
1
1
1
1
1
4
5
1
2
2
2
9
9
9
1
2
2
6
1
20
19
1
21
1
44
1
43
C18
A1
A31
C1
A1B1
A32B32
D19C19
D0
C0
PC/104
2
2
16 15
4
SATA1
5
SATA2
LPT1
6
IDE1
7
9
SYSF1
10
JFRT1
11
AC97
12
USB2
13
USB3
14
COM2
8
CFD1
(Bottom
side)
15
COM1
25
50
26
1
JRS2
3
2
JCOM2
1
DIO1
21
KBM1
22
EKB1
23
JBAT1
25
INV1
JVLCD1
26
27
LVDS1
28
PWR1
29
EATX1
20
VGA1
19
COM4
18
COM3
16
USB1
17
LAN1
2
1
10
9
2
1
1
1
24
TV1